?LWH03060YAH替代PTH03060YAH:高性能電源模塊的優選方案
2025-06-04 16:34:15
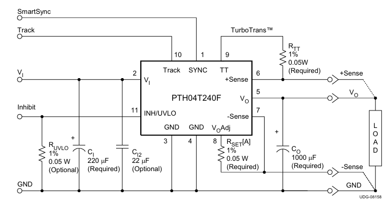
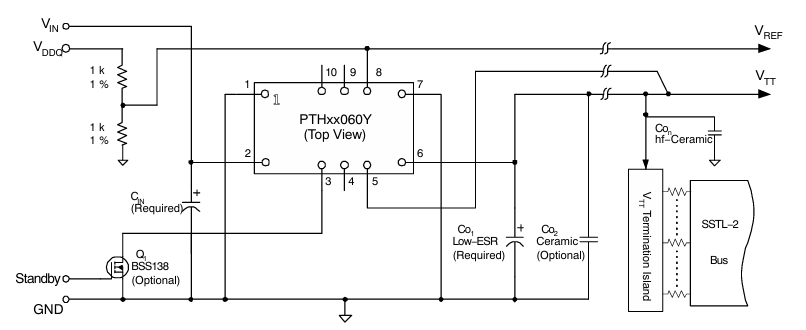
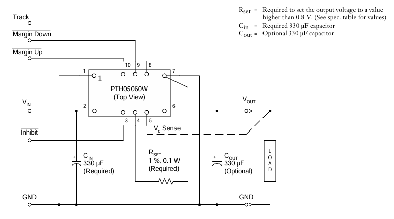
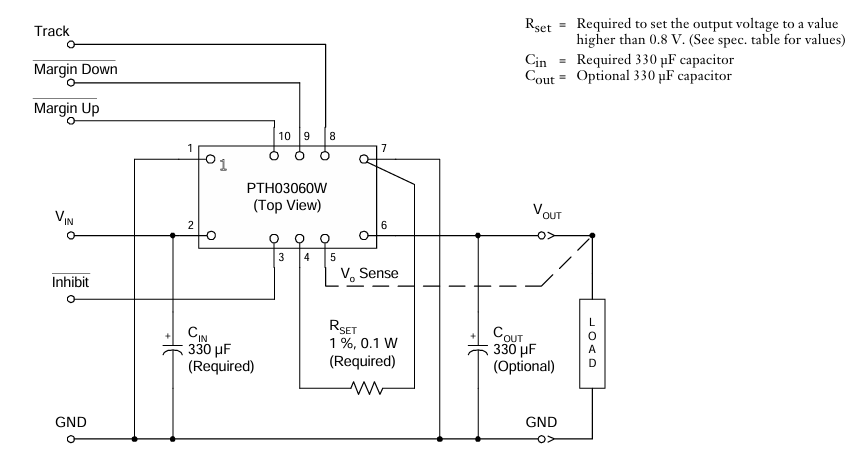
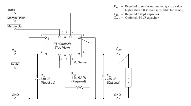
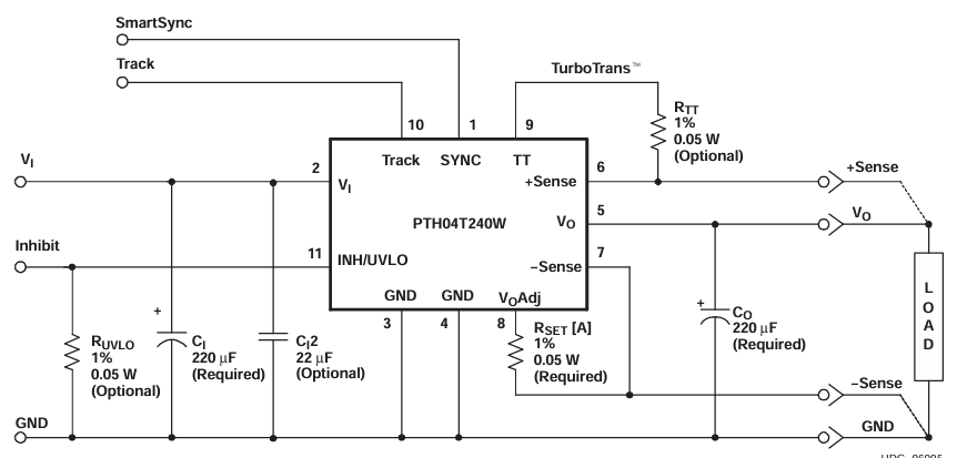
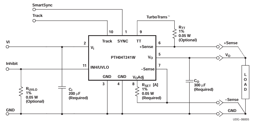
因 PTH03060YAH 供應商商頻次延后與價格狀況,LWH03060YAH 可用為其復制方法,適于于工農業管控等對穩定可靠性預計和效果條件高的應用場景。它選用與 PTH03060YAH 一樣的的 10-DIP 裝封,電力電氣實力基本參數角度一致,暫時無法修正 PCB 功能分區只能復制。并且,LWH03060YAH 在環境適于性上可選,工作的溫度表范圍內更寬、抗抑制實力更強、操作耐用度更長,且供應商商頻次更短、價格降低成本 15%-20%,是過程師對于元元件供應商振幅的理智之選 。