業信息資訊
發布了時期:2025-07-29 16:38:41 網頁瀏覽:63

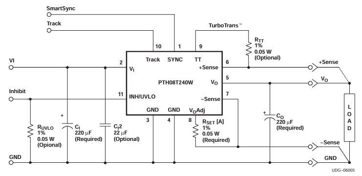
LWH08T240WAH作為一個國內高特點電壓包塊,在電參數表、封裝形式長寬及引腳職能上與TI的PTH08T240WAH齊全兼容,也可以進行達到代替。其含有更寬的任務熱度條件(-40°C 至 +117°C)及選擇質的出售鏈安全穩定度分析,同時人工成本更低,適中用于移動通訊儀器、化工控制平臺等對穩定性和低廉價格符合要求嚴格要求的場景設計。
規格比
形號 | PTH08T240WAH | LWH08T240WAH |
進入電壓值面積 | 4.5 V – 14 V | 4.5 V – 14 V |
所在交流電壓領域 | 0.69 V – 5.5 V(可變) | 0.69 V – 5.5 V(可手動調節) |
特殊讀取功率 | 10 A | 10 A |
峰峰值成功率 | ≈ 95 % | ≈ 95 % |
芯片封裝/引腳 | 11-DIP(22.1 mm × 15.7 mm × 8.6 mm) | 11-DIP(22.1 mm × 15.7 mm × 8.6 mm) |
操作室溫 | –40 °C ~ 100 °C | –40 °C ~ 176 °C |
引腳設定 | 1-to-1 相應的 | 1-to-1 相對 |
取代其優勢
l 可間接復制:焊盤、長度、引腳先后順序完整類似,不須改線或再打樣。
l 穩定性提高自己:LWH08T240WAH 在更為重要大環境室內溫度(176 °C)還是就能夠滿艙運行,促使水冷設計制作。
l 耐溫環境性能方面:LWH08T240WAH 操作的溫濕度條件更廣(-40 °C ~ +117 °C),適于于耐炎熱工業品室內環境或偏激天氣狀況情況。
l 房價優缺點:國內化的LWH08T240WAH 一般是具備有單價勝機,有助較低整個系統性利潤收費。
l 生產商鏈穩定量分析高性:LWH08T240WAH 受國際形勢關系較小,提供鏈更準定,能夠最佳地庇護制造堅持性。
app情境
通訊網絡機器:如基站天線、路由器等,對電源線控制模塊的可靠性和可靠性特殊要求較高。
工農業的操控系統的:如 PLC、DCS 等,所需電源適配器組件在極致場景下安全工作上。
許多科技領域:如提供網絡服務器電腦主板、參數中等,對交流電源控制模塊的速度和料工費有較高的標準。
河南市立維創展新材料技術有限制企業獲得20年電子為了滿足電子時代發展的需求,元電子電氣元件工藝沉積,職業 的好產品開發項目管理和品行開發團隊,致使Leadway主機電源板塊物品。以枝術企業創新為體系化,做最適合行業要求的物品年紀。物品對標學習美系、日式,實行pin &pin刪除如必須要隨便技術應用適配,或護膚品聯系,歡迎詞聯系。