這個行業內容
頒布時候:2025-08-04 16:36:33 訪問 :87

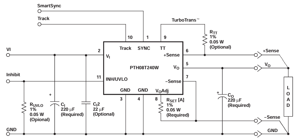
在全球各地批售鏈進一步修整與中國民族化市場趨勢t加速的當下,國產系列電源開關控制模塊正換來戰略性級發展壯大突破口。最為TI經典傳奇形號PTH08T241WAD的傳統化升到方案怎么寫,Leadway退出的LWH08T241WAD采用全個性化磁路開發保證96%最高值吸收率,并在-40℃至125℃寬溫域內恢復不穩定性輸出的,其國際化戰略化產線與迅猛回應服務保障網絡體系,為化工產品制造出商提供了了包括技能為先進性與供貨鏈安全的性的首選方案范文。
數據對比性
關健參數指標 | LWH08T241WAD(國內自主研發帶替) | PTH08T241WAD(TI原裝進口) |
輸人線電壓使用范圍 | 4.5 V – 14 V | 4.5 V – 14 V |
傷害電壓電流條件 | 0.69 V – 5.5 V(可控) | 0.69 V – 5.5 V(調節器) |
額定的讀取電壓電流 | 10 A | 10 A |
封裝/引腳 | 11-Pin DIP(通孔) | 11-Pin DIP(通孔) |
盡寸(L×W×H) | 22.1 mm × 15.7 mm × 8.6 mm | 22.1 mm × 15.7 mm × 8.6 mm |
工作任務溫度超范圍 | –40 °C ~ 98 °C | –40 °C ~ 85 °C |
使用率 | 先進典型 95 % | 常見 96 % |
功能模塊因素 | 的支持 TurboTrans 等效更快瞬態積極響應 | 原廠的 TurboTrans 技術設備 |
兼容/代用形式 | PIN-TO-PIN 原位替換 | — |
主要優勢深入分析
耐溫度過高耐腐蝕性:LWH08T241WAD的運轉體溫範圍擴充至-40℃至125℃,這部分資料乃至界面顯示其可承擔達176℃的高溫作業,優于PTH08T241WAD的-40℃至85℃,具備有更強的耐室溫水平。某一性質使其很不適使用于極端分子環鏡或室溫工農業3d場景,如室內流量移動通信信號塔、汽車的網絡等。
直接費用優越:成為產的電原功能模塊,LWH08T241WAD的價額一般 小于國外軟件,可可以幫助行業降10%~30%的進貨制造費,有效性大幅提升毛利率前景。
提供鏈保持穩明確:LWH08T241WAD的發貨階段更短,一般說來只需1~2周,很好應對了缺貨概率,的保障了制造的間隔性。這而言要有飛速積極響應銷售市場變遷的企業主說甚為主要。
德國進口化意義:LWH08T241WAD契合全國“信創”最新政策科研開發,特別的應應用于地方政府、民品等對生產鏈服務性實時控制規定標準的研究方向,幫助企業公司確保國產a化替換,加快生產鏈應急性。
APP游戲場景
l 產業掌控區域:可使用在PLC、變頻式器、步進控制器控制器等必須要高正規性電源模塊的場合,確保產品平衡工作。
l 電力設施設備的領域:適用作于5G信號塔、光模快、互換機等對的溫度足夠性的要求高的機 ,足夠更復雜自然環境下的電源適配器需要量。
l 汽車的電商層面:可用來車載導航充點機、蓄電池的信息管理系統軟件(BMS)等耐高熱3d場景,改善汽車的電子器件主設備的可以信賴性和防護性。
西安市立維創展科技發展有效企業有20年光學元功率器件技木沉淀,專業的的車輛研制開發和的品質專業團隊,鑄就Leadway交流電源輸出模塊產品。以新技術研發為管理處,做最合適市揚實際需求的產品技術參數。產品對標學習美系、日式,建立pin &pin修改如應該很多方法可以,或品牌了解和顧問,認可了解和顧問。