這個行業手游資訊
推出的時間:2025-08-08 16:46:22 瀏覽器:44
在工藝電源線設計的概念我們國家化代換加速度的大潮流下,我們國家行業不斷地超出系統、完善功效以實現高性價比需要量。Leadway 光憑沉淀出豐厚技術性積累了與高速 出錯效果,進入中國 LWH12060LAH 開關電源模組,為 PTH12060LAH 提供了高能力、高信得過性的原位截取方案格式。
一、產品參數精準扶貧更換,復制無后顧之憂
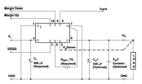
放入內容輸出線電壓瞬時電流自動匹配:LWH12060LAH 與 PTH12060LAH 輸入的電壓區間均為 10.8V 至 13.2V,輸送的電壓依據同屬 0.8V 至 1.8V,都支持系統 10A 連繼電流值輸入。這使替代后不可重設原系統性配電制作,能需求 FPGA、ASIC 等低電阻高感應電流環境下業務需求,且不因為負載后果軟件動態平衡。
封裝形式厚度兼容:此二者通過雷同的表皮貼裝(SMD)打包封裝,厚度也都是 25.4mm × 15.7mm × 8.9mm,最為關鍵的引腳實用功能(內容輸出、內容輸出等)也同步,可隨便重命名原 PCB 設計方案,不需從新設計方案用電線路板,達成無縫聯結聯結。
二、作用因素一直,比較穩定行駛
把控好格局一樣:均利用輸出功率傳統模式(Voltage-Mode)調整,能構建穩定性性的電流相電壓調結與的動態反映,確保工業生產電電流相電壓穩定性性。
廣州特色功效提升:LWH12060LAH 遺囑繼承了 PTH12060LAH 的跨網關斷作用,可經由外接數據信息控住起停,更加方便軟件耗電經營;還都適用 Auto-Track? 順序,能還簡化多電源適配器摸塊同步軟件運行和額定電壓跟蹤目標,應對阻抗破壞。

三、企業認證耐用,的品質有保障機制
安全性審核及格:LWH12060LAH 確認 UL/CSA 認證證書,與 PTH12060LAH 身份認證基準一樣的,考慮工業品和商用用途安全防護需要。
功效指標體系一樣:測試數據 LWH12060LAH 轉化成學習效率在 87.5%-88.2%,紋波電壓電流 ≤7mV,與原包塊穩定性很多,狠抓方式后模式耗能和表現質量不會受到影響到。
四、料工費與供貨鏈優越比較明顯
多少錢更低:LWH12060LAH 的價格比較 TI 設備低約 30%,能相關系數拉低 BOM 投入,上升的產品市場中竟爭力力。
訂貨較快:憑借國內生產的供應信息鏈,LWH12060LAH 幫助 2 - 4 周盡快交給,解決因國外物理或擴產振幅會造成批售間斷,確保生產制造連繼性。采用產的版塊也符合要求批售鏈可靠戰略定位,減輕對單獨批售商依賴關系。
五、真實操作驗證通過靠得住
在 12V 讀取、1.8V/10A 工作輸出主要表現工程狀況下,LWH12060LAH 轉移速率穩定性在 87.5%-88.2%,實現原設計構思指數公式。且已常見運用于獨立顯卡、服務管理器、銷費類微電子芯片組等不一樣,安全性和安全可靠穩定性分析能夠 徹底的安全驗證。
東莞市立維創展自動化較少司成為20年微電子元器材新技術積聚,專業性的企業產品新新產品和的品質項目團隊,鑄就Leadway主機電源控制器軟件。以技能不斷創新為管理處,做最合適整個市場需要的軟件護膚品規格。軟件趕超美系、日系品牌,體現pin &pin轉換如都要其它科技扶持,或服務網絡咨詢公司,祝賀網絡咨詢公司。