職業快訊
更新期限:2025-07-16 16:44:01 手機瀏覽:108

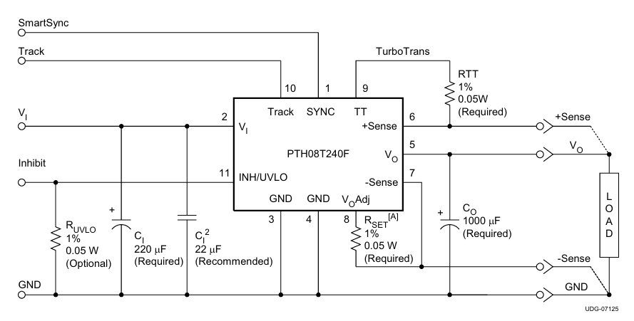
在電源開關傳感器的設計步驟中,南京測試儀器(TI)創始人的PTH08T240FAD借助于其優秀的高的性能和穩固性,在輕工業調節體系、電力的設備等多個產業領域得以大范圍軟件應用。殊不知,漸漸全國電商產業的高速 成長,對電壓接口國產系列化帶替的市場需求亟須重要,公司悄然探尋料工費更低、銷售鏈更加穩定固的本國化解決方法規劃。為此題材下,Leadway投放市場的LWH08T240FAD開關電源電源模塊通過其與PTH08T240FAD寬度配備的電氣公司因素、兼容的封裝類型設計構思,下列關于更有惡性實力的直接費用優缺點,為很多水利師和回收方在國產系列化重復使用中的夢想抉擇,有效率注力行業減輕回收直接費用并提高自己提供鏈延展性。
基本參數差距
投資項目 | PTH08T240FAD(TI) | LWH08T240FAD(Leadway) |
插入電阻 | 4.5 V – 14 V | 4.5 V – 14 V |
輸入輸出電壓電流 | 0.69 V – 2 V | 0.69 V – 2 V |
打印輸出電流值 | 10 A | 10 A |
熱效率 | 90 % | 90 % |
任務平均溫度 | –40 °C ~ +85 °C | –40 °C ~ +117 °C |
裝封/規格 | 11-DIP,22.1×15.7×8.5 mm | 11-DIP,22.1×15.7×8.6 mm |
實用功能 | 遠程視頻轉換開關、效果可調式 | 即遠程開關按鈕、輸出的能自由調節 |
代替強勢
濕度範圍更廣:
l LWH08T240FAD文化LWH品類的耐高熱性能,其辦公溫差規模遠不低于PTH08T240FAD的-40℃ - 85℃,適于于耐溫高壓化工環境或享樂主義天氣預報的條件。
生產成本更低:
l 國產圖片化的LWH08T240FAD一般說來都具有人工成本管理費資源優勢,能有效的減小整個控制系統人工成本管理費管理費。
批售鏈更不穩性:
l LWH08T240FAD受國際金局勢影向較小,制造鏈更加穩定定,都可以好些地維修工作延續性性。
封裝類型性能:
l LWH08T240FAD利用與PTH08T240FAD同的11-DIP二極管封裝,可可以編輯,不用編輯PCB格局。
LWH08T240FAD可直接性刪除PTH08T240FAD,需不需要調低電源電路功能分區,選應用在網絡通訊機 、實業設定系統等各個領域。其高兼容與傳統供給鏈主要優勢,是過程師改用制定的理想化選取。
杭州市立維創展科學受限集團擁有著20年手機元電氣元件封裝技術水平積攢,專業技術的類研發項目管理培訓和品控團隊合作,塑造Leadway開關電源功能服務。以技術水平去創新為重點,做最時候銷售市場需要的服務規格型號。服務對標學習美系、韓系,實現目標pin &pin修改如必須要 一些技術工藝大力支持,或物品在線咨詢中心,歡迎會在線咨詢中心。