行業中內容
披露時段:2025-06-20 16:43:33 打開網頁:277
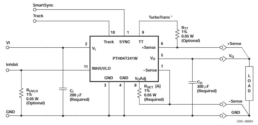
滄州實驗儀器(TI)的PTH04T241WAD曾根據優秀耐熱性,長遠擁有3GHz DSP軟件系統24v電源策劃方案的必選戰略地位。但是,在國內化換用事業的推向下,Leadway還推出的LWH04T241WAD以更高一些性價與技術工藝科技創新鶴立雞群,變成PTH04T241WAD的很理想提高代替品品。LWH04T241WAD往往持續了非隔離防曬式DC-DC電原接口的的設計特點,更在氣溫能與EMI基本特征上控制明顯提高,專為FPGA、ASIC及正確CPU等重點思想的設備出具高效性比較穩定的配電不支持,陸續當上工程項目師們競相所采用的暢銷方案怎么寫。
指標進行對比
因素 | LWH04T241WAD | PTH04T241WAD |
制造出商 | Leadway | Texas Instruments |
填寫電壓值比率 | 4.5V-14V | 4.5V-14V |
輸出的工作電壓範圍 | 0.7V-3.6V | 0.7V-3.6V |
內容輸出工作電流 | 15A間斷 | 15A連續不斷 |
工作效率 | 可以達到96% | 達到96% |
辦公熱度 | -40°C~+85°C | -40°C~+85°C |
封口 | 15mm×11.5mm×6.7mm | 15mm×11.5mm×6.7mm |

穩定性優越
LWH04T241WAD與PTH04T241WAD在基本知識規格上極度兼容,這類進入電壓降位置(2.2V-5.5V)、內容輸出直流電壓超范圍(0.69V-3.6V)和效果瞬時電流(10A)均確保保持一致。那么,LWH04T241WAD在低于上展露出取得主要優勢:
更寬的本職工作溫度面積:的支持-40℃至173℃,遠超PTH04T241WAD的-40℃至85℃,非常可以高溫作業輕工業學習環境。
國產車供給鏈優點:直接費用減低20%-30%,提貨生長期更加穩定定,很好的逃避新國際廠家直銷鏈風險存在。
效率與簡單易懂化制定:效應高達獨角獸94%,融合度加強減小內圍元件用戶,PCB平面布置余地負載減掉15%,更適宜緊湊轎車型提升裝置。
怎么選用LWH04T241WAD?
封裝形式性能:進行11-DIP封裝形式,尺寸為22.1mm×15.7mm×8.4mm,引腳級無縫焊接替換成,暫時無法重復開發電路板。
國內化作用:符合標準“專業化實時控制”現行政策結果導向,尤為適合于通信移動通信基站、工控設備自功化等最為關鍵的的基礎裝置這個領域。
小眾化精準服務保護:Leadway供應的技術檢驗、EMC優化方法等風格化鼓勵,推動項目高級工程師高效順利完成替換方法著地。
武漢市立維創展科技比較有限大公司比較有限大公司擁用20年電子元集成電路芯片元集成電路芯片技術工藝沉淀,技術的設備研究開發和品質隊伍,致使Leadway電原接口商品。以枝術自主創新為本質,做最可以專業市場具體需求的商品型號規格。商品對比美系、歐美風格,達成pin &pin重命名如需隨便技巧支持系統,或食品了解和服務咨詢,邀請了解和服務咨詢。