這個行業訊息
上架用時:2025-06-16 16:34:59 查看:284
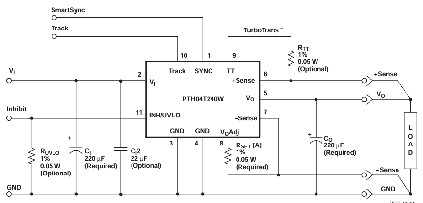
在維持的發展的智能電子元集成電路芯片相關行業中,電源組件組件的使用會直接影響到裝置維持性和產業的發展鏈安會。南京檢測儀器(TI)的PTH04T240WAD早已正是因為出色的機械性能為3GHz DSP系統性的安全可靠24v電源方法,所以跟隨國內生產化換用大趨勢的提速,Leadway還推出的LWH04T240WAD驅使更加高性比價與技術不斷創新,稱為工程建設師們的最熱的選擇。
主要參數相比較:
性能 | LWH04T240WAD | PTH04T240WAD |
投入電壓降區域 | 2.2V - 5.5V | 2.2V - 5.5V |
輸入的電壓區域 | 0.69V - 3.6V | 0.69V - 3.6V |
所在電壓 | 10A | 10A |
業務溫度因素位置 | -40℃ - 173℃ | -40℃ - 85℃ |
速率 | 94% | 94% |
封裝類型 | 11-DIP | 11-DIP |
長寬高(mm) | 22.1 x 15.7 x 8.4 | 22.1 x 15.7 x 8.4 |

替換長處:
l 更寬的高溫范疇:-40℃ - 173℃,采在室溫工業品大環境。
l 國內生產鏈優質:投入減小約20%-30%,快速交貨,工程團隊不斷突破工藝瓶頸,根據不同產品的特性,制定不同的生產工藝階段更加穩定定,避免出現時代國際出售鏈問題。
l 能耗等級比較簡單化:轉化率將高達94%,考慮乃至普遍用途消費場景。
l 封裝兼容:11-DIP打包封裝,金橋銅業跨接線的截面積大小均為22.1mm×15.7mm×8.4mm,兼容引腳級無逢裁切轉換。
為十么考慮LWH04T240WAD?
的設計簡易化化
集成系統度增強可以減少內圍功率器件數目,PCB規劃范圍占存以減少15%,尤其合適省油的suv型控制系統。
日本產化市場價值
做到“自主性可以控制”新政引領,越來越不適代替網絡通信移動信號塔、工業系統自動化技術系統自動化技術等關鍵的的基礎場地設施科技領域。
服務質量保障措施
Leadway出具知名化方法產品,涉及到復制預案認可、EMC整合等特色化服務保障。
北京市立維創展科技發展是有限的工廠具有20年電子器材元元器技巧掌握,職業 的服務新產品開發和好品質專業團隊,產生Leadway主機電源功能模塊類物料。以高技術什么是創新為本質,做最合適市場的要的類物料型號。類物料對標學習美系、日系品牌,保持pin &pin編輯如須要絲毫新技術支技,或車輛諮詢,的歡迎諮詢。