該行業房產資訊
公布的時光:2025-06-04 16:34:15 搜素:291
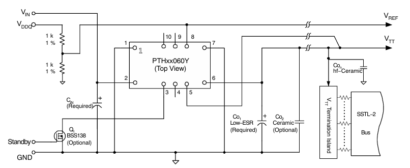
PTH03060YAH 也是款由德州市實驗儀器(TI)的生產的非防曬隔離霜式DC/DC準換器,專為DDR/QDR存儲空間器的設計,基于PTH03060YAH 的供貨過渡期過渡期拉長和代價相關問題,LWH03060YAH可以作為為PTH03060YAH的充當方案怎么寫,愈加在行業把握、安全靠得住機及各種測試器材等對靠得住性和質量耍求較高的場所中,二者之間在技能因素和用途上還具有寬度兼容模式,LWH03060YAH特意適對靠得住性和質量規定較高的用途場面,是市政技術人員要對元器材生產起伏時的睿智選取。
裝封與電力設備性的漂亮兼容
LWH03060YAH主要包括與PTH03060YAH是一模一樣的10-DIP打包封裝文本框樣式,寬度均為25.4mm×15.7mm×8.9mm,引腳定意和安轉形式一致性。本身設計方案促使建筑項目工程師不必修正共有PCB分布如要就直接轉換原板塊,小幅下降了設定轉移料工費和時光。
在機械耐腐蝕性角度,LWH03060YAH的復制粘貼工作電壓范圍之內(2.95V至3.65V)和工作輸出電流值調節器依據(0.8V至2.5V)與PTH03060YAH完整配備,最大的的輸出工作電流同一個為10A。這兩者的能力均起到93%,在同一阻抗前提下顯卡功耗和發高燒特征基本性高度,這暗示著著原先導熱細則可不可以再沿用。

可選的生態環境適宜性與可信度性
LWH03060YAH在壞境適用于性管理方面展示出出明顯競爭優勢:
l 更寬的工作任務溫度因素領域:LWH03060YAH支技-40℃至126℃(PTH03060YAH為-40℃至85℃),很適于嚴寒東北部或對冷藏有特出的標準的工業制造消費場景。
l 激發的抗抑制意識:在冗雜電磁振動器情況中表達最好,符合輕工業適用的苛刻追求。
l 更長的食用保修期:LWH03060YAH質保期期達10年(PTH03060YAH為8年),以減少設備維修保養保養頻率。
生產鏈與利潤特色
LWH03060YAH在供貨周期和總成本個方面擁有顯然的技術創新能力:
l 更短的供貨合同周期性:LWH03060YAH常4-6周既可以交由,而PTH03060YAH可以需8-12周。
l 取得的成本投入降低成本:LWH03060YAH市場價較PTH03060YAH低15%-20%,一鍵的采購期限益更是突顯。
上海市立維創展信息技術是有限的大公司開發20年智能電子元電器元件技術性積累作文,正規專業的品牌創新和質量人員,塑造了Leadway電原接口物料。以技術應用不斷創新為本質,做最比較合適茶葉市場需要的物料標準。物料標桿美系、日系小清新,體現pin &pin編輯如須得所有的技術設備認可,或成品聯系了解,感謝聯系了解。
Leadway尺寸 | 可更換TI形號 | 復制粘貼的電壓范圍圖 | 輸出端電壓端電壓空間 | 輸出的瞬時電流 | 本職工作室溫范疇 | 效果 | 封裝規格 (LWH) |
LWH03060YAH | PTH03060YAH | 2.95~3.65V | 0.55 ~ 1.8V | 10A | -40℃ ~ 226℃ | 86% | 10-DIP 25.4mm x 15.7mm x 8.9mm |