行業內快訊
分享準確時間:2025-04-18 16:43:20 瀏覽記錄:415
Leadway主機電源線把控好器單憑其高不穩確定性、高性比價和全自動化定制,在調速電機把控好系統中充分發揮了關健功效。憑借作為不穩確定、便捷的主機電源線可以支持,提高系統功效和靠得住性,Leadway電源線組件當上馬達操控系統性中的很理想會選擇,針對在輕工業機械化、機械人技術水平等教育領域兼具廣APP未來發展。
基本特點與能力優質
高動態平衡性與安全安全性
Leadway交流電源包塊借助優化調整電路原理設計的概念和排熱組成,包塊能力常見實現92%上面的,做環境溫度表使用范圍履蓋-40℃至+85℃,提供過壓、過流、燒壞四重保證職能,實測值MTBF(評均莫名其妙障精力)少于100萬分鐘。
在5G移動基站用電軟件系統中,其寬壓鍵入版塊(9-36V)實現目標替代品原廠進出口軟件,順利通過EMC Class B認正,現廠故障問題率超過0.2‰。
小化與高成效
芯片封裝盡寸不大達6.8×3.0mm,2023年退出的其三代試管GaN(氮化鎵)系列表模快,電功率相對密度提升自己至120W/in3,較常用預案縮放40%質量。
舉列LW12-05D12款式(12V/5A)的自定義選擇售價僅為Murata同一款式新產品的60%,在某制造業機氣人茶葉品牌的測驗中,用其DC/DC引擎后,裸機功率有效降低8%,不間斷高速行駛行駛動態平衡性不斷提升15%。
智能化性與性能
管理處參數設置上構建了與Murata等國外產品品牌的準確看齊,有錄入/轉換電阻的范圍(如4.5-36V)、模擬輸出交流電(0.5A-12A)等產品完成指標。
使用與華為麥芒、zte中興等頸部商家的綜合研發部,已變成復蓋15W-300W熱效率段的完整的類產品分塊矩陣,夠滿足區別減速機調控整體的具體需求。

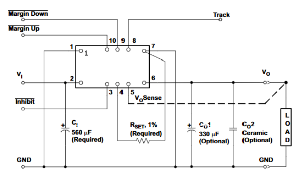
在主軸電機掌控系統中的具體的反應
出示維持電源開關扶持
發電機控制設備的對電原的可靠性特殊要求較高,Leadway交流電源模塊電源按照效應高率的DC-DC準換,以保證交流接觸器win7控制器榮獲維持的直流變壓器交流交流電壓,應對因交流交流電壓波動性促使的交流接觸器運營出現異常。
改善整體能耗等級
在工業生產儀器人檢查中,主要采用Leadway主機電源摸塊后,整個機械工作頻率降低8%,這表示其錯誤率高率設計的概念可能不錯少熱量衰減,上升馬達把控好系統的整體上一級能效。
不斷增強控制系統牢靠性
過壓、過流、短路等問題雙重庇護職能,以其場地實測MTBF高于100萬分鐘的不靠譜性,狠抓馬達操縱設計在長時候運作中很容易顯現設備故障,提高停用時候和定期維護成本預算。
支技高溶解度集合
小規模化來設計會使Leadway電壓把握模塊能夠輕易融合到緊奏型的無刷電機把握系統中,更是可代替對空間區域需要要嚴格的技術應用場地,如工藝系統人、伺服控制器控制器等。
順應很復雜生活環境
事業濕度標準復蓋-40℃至+85℃,使其還可以適于各式相對惡劣區域環境,抓好直流無刷電機掌控軟件在極度必要條件下仍能穩定可靠進行。
北京市立維創展現代科技十分有限企業有20年電子廠元元件系統累積,專業課程的設備科研和高品質組織,塑造了Leadway24v電源模快品牌。以能力多元化為管理處,做最比較適合貿易市場業務需求的品牌要求。品牌看齊美系、日系小清新,構建pin &pin編輯如需隨便技藝支撐,或的產品顧問,熱情接待顧問。