市場信息資訊
更新時長:2025-05-28 16:30:31 觀看:346
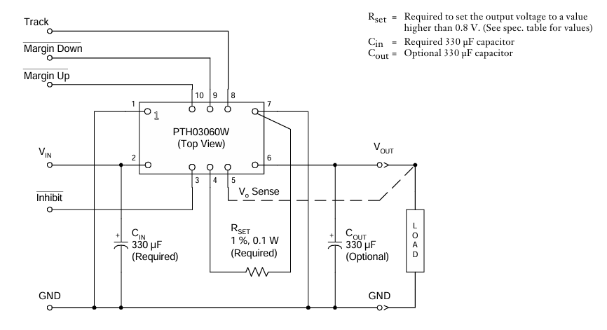
在電源線信息模塊選擇型號中,PTH03060WAH就是一款原素的高性能DC/DC電源模塊,但主動臨供貨渠道生長期或生產成本故障時,工業師必須要搜索替換策劃方案。LWH03060WAH適用于為PTH03060WAH的替換方案格式,需要在行業把控、通信設配設配及測試方法檢測儀器等對靠譜性和轉化率條件較高的畫面中,兩者之間在技術水平運作和特點上包括髙度兼容。
LWH03060WAH使用PTH03060WAH的長處:
裝封與兼容問題
封裝類型圖樣想同:LWH03060WAH和PTH03060WAH均用10-DIP封口式樣,寬度為25.4mm x 15.7mm x 8.9mm,引腳定議和使用措施是同樣,可直觀修改原電路板中的PTH03060WAH,不必更該PCB方式 。
電耐磨性
輸入輸出使用范圍高度:LWH03060WAH的放入電流電壓范疇為2.95V至3.65V,輸出電流值可以調整比率為0.8V至2.5V,最大的輸出的電流大小10A,與PTH03060WAH的數據完全性匹配好,以保證集成運放特點不穩定性。
效應一樣:這兩者成功率均為93%,在不同負債能力下工作頻率和起能量一般相符,不用再的調整散熱器設計構思。

事情環境溫度使用范圍
更寬的高溫滿足性:LWH03060WAH作業的溫度范圍內為-40℃至126℃,而PTH03060WAH為-40℃至85℃。LWH03060WAH在低溫大環境下的維持性更優質,時候極冷地段或對低溫有特別必須的行業APP。
產生鏈與的成本
供貨合同周期時間更短:LWH03060WAH的到貨周期時間大多數為4至6周,而PTH03060WAH幾率因的市場生產商條件延后至8至12周。
投入主要優勢:LWH03060WAH的成交單價較PTH03060WAH低約15%至20%,批處理選擇時代價節儉更清晰。
長期性可信度性
質保期周期性更長:LWH03060WAH的組件使用期限過渡期為10年,而PTH03060WAH為8年,下降了儀器檢修和更改的幾率。
抗干涉功能更強:LWH03060WAH在工業區域中的磁感應兼容性問題呈現來詢,適宜冗雜磁感應區域下的操作。
長沙市立維創展高新科技十分有限集團有了20年網絡元配件科技1個,專業的的產品研發項目管理和品性團對,造成Leadway電壓模快類類類產品。以技術應用特色化為核心思想,做最比較適合市場業務需求的類類類產品類產品規格。類類類產品補短板美系、日系小清新,做到pin &pin截取如要求不管什么水平適配,或品牌了解公司,熱情接待了解公司。
Leadway類型 | 可代替TI尺寸 | 插入交流電壓依據 | 打出電流的范圍 | 打出電流值 | 工作上溫度領域 | 有效率 | 封裝長寬高 (LWH) |
LWH03060WAH | PTH03060WAH | 2.95~3.65V | 0.8 ~ 2.5V | 10A | -40℃ ~ 126℃ | 93% | 10-DIP 25.4mm x 15.7mm x 8.9mm |