?MH092D3RD直流無刷馬達DELTA
2025-05-28 16:28:14
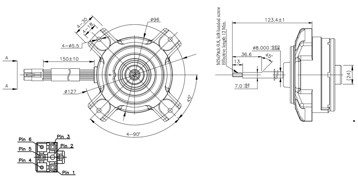
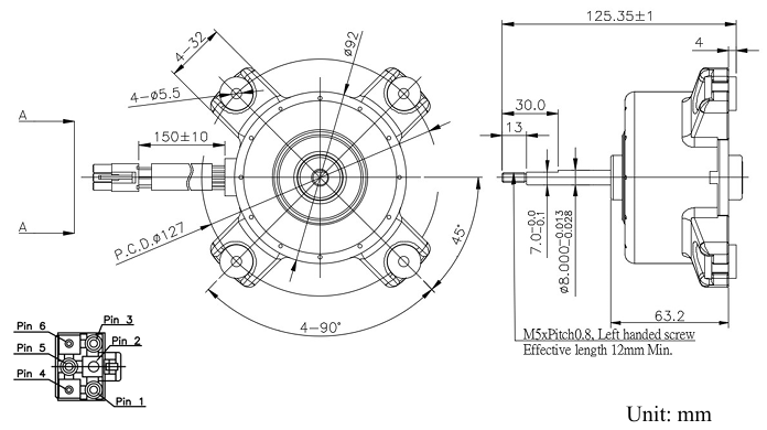
MH092D3RD 是臺達(Delta)生產加工的交流電無刷啟動無刷電機,臺達在我國生產廠家加工該服務并專一改革改革創新。此交流電動機符合于輕工業一鍵化、自動化設備win7驅動等行業領域,其緊湊型suv定制、高電功率密度計算符合高低噪場合,兼備 280~340 VDC 運轉相電壓、2100 rpm 額定值電機轉速等幾乎主要參數,引腳有厘清構成,提供高能、靠得住的質等主要優勢,也許 法定繼承無刷啟動無刷電機高長生不老特別,經標準檢驗且融進改革改革創新科技以提高了穩定性與靠得住的性 。