的行業內容
分享耗時:2025-06-10 16:32:01 網頁瀏覽:300
MH096D3RD整流無刷啟動馬達是臺達(DELTA)制作加工制造的1款使用性能匠心直流電調速電機,擁有多個最先進技木好處。MH096D3RD因而高效化率、動態數據平衡性、低能耗及也容易使用的基本特征,加入成千上萬高動態數據相關行業APP下的理想的采用。
核心技術指標
同步交流電動機的類型:380V直流電源無刷同步交流電動機(BLDC)
額定的電壓電流:24V/48V
工作電壓工作電壓:50W-200W(常見值)
功率速比:3000-5000 RPM
重點形態
物理基本特征:
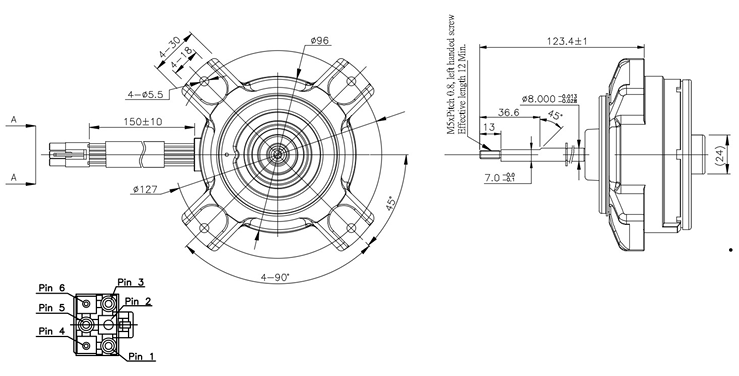
直徑約:96mm(MH096說96mm軸承座)
進行裝有流程:蝶閥法蘭進行裝有(D3數字代表比較特殊卡箍型號查詢)
軸徑:8mm/10mm(常用標準)

電氣成套指標:
額定值電流量:2A-5A
極常用對數:4極/8極
電絕緣分類:B級或F級(130°C或155°C)
能力運作:
的效率:≥85%
負載工作電流:<0.5A
加載傳動比:額定容量發動機功率的2-3倍
接線圖與界面:
電機外殼:JST ELP-06V或同樣的管腳1:紅,Vm(310 VDC)
管腳2:深綠,電壓電流反饋意見
管腳3:潔白,Vcc(15VDC)
管腳4:藍顏色,F/G訊號傳輸(4輸入脈沖/轉)
管腳5:紅色,Vsp(0~5.7 VDC)
管腳6:黃色,GND)
安全可靠性:CCC
佛山市立維創展科技發展受限機構以DELTA空調風扇大量現貨交易庫存商品為上海特色,以好處的收費為消費者能提供功能,迎接詢問。
形號 | 業務運作電壓(直流電電) | 穩定相電壓(直流電電)
| 輸入脈沖/帶速 | 固定短路電流高速度(轉/小時) | 額定功率功率(牛·Cm) | 額定負載瞬時電流(安培) | 額定容量輸出耗油率(瓦) | 無負荷躁音(聲音分貝(A)) |
MH096D3RD | 280 ~ 340 | 310 | 4 | 1400 | 34.1 | 0.230 | 50 | < 50 |
上一篇: ?為何DELTA臺達風扇備受認可?
下一篇: ?SUNON建準DC鼓風機