AM07512041WN-SN-R/AM07512041WN-00-R功率放大器芯片 代理現貨
2019-02-20 14:36:54
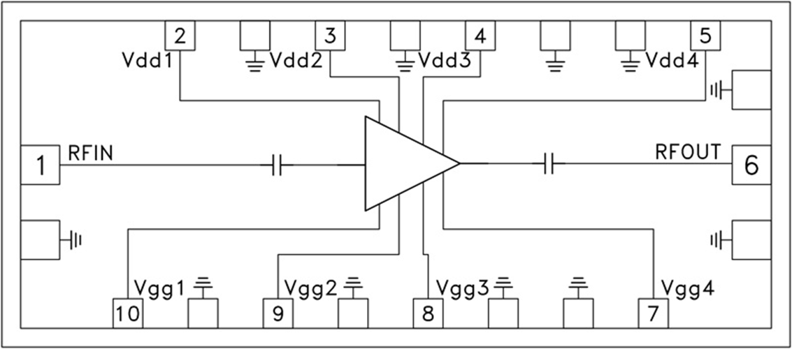
AMCOM集團的AM07512041WN-SN-R/AM07512041WN-00-R集成塊不是款網絡帶寬氮化鎵MMIC電工作效率縮放器。它在8.25至11.75GHz頻段還具有28dB的收獲和42dBm的輸送電工作效率。AM7512041WN-SN-R通過陶瓷廠家封裝,含帶卡箍和直微波射頻和交流電引線,廣泛用于放進去式裝配。它的收獲為27db,輸送電工作效率為41dbm,在8.25至11.75GHz頻段。