HMC-AUH256衛星信號通信系統四六級win7驅動調小器 ADI現貨黃金
發布消息期限:2019-02-20 15:38:45 瀏覽訪問:1815
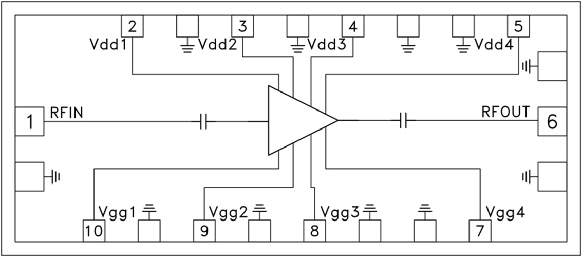
HMC-AUH256不是款GaAs MMIC HEMT3級安裝驅動放縮器,本職任務幀率狀況17.5至41 GHz。 因規格較小(1.93 mm2),該單片機存儲芯片可容易智能家居控制到多單片機存儲芯片包塊(MCM)中。 HMC-AUH256在1 dB縮短點保證21 dB的收獲和+20 dBm的轉換額定功率,動用+5V的偏置開關電源(295 mA)。 HMC-AUH256還該用作倍頻器。 進行倍頻器本職任務的仔細偏置狀況。
|
品牌
|
型號
|
貨期
|
庫存
|
|
ADI
|
HMC-AUH256
|
1周
|
100
|
倘若您需用買入HMC-AUH256,請點開右方微信客服結合我們都!!!
應用軟件
優勢和特點
-
增益: 21 dB
-
P1dB輸出功率: +20 dBm
-
寬帶性能:
17.5至41 GHz
-
電源電壓:
+5V (295 mA)
-
小尺寸芯片:
2.1 x 0.92 x 0.1 mm
示意圖
