MABC-001000-DP000L_GaN偏置控制器/定序器模塊 MACOM現貨
2019-01-21 16:59:13
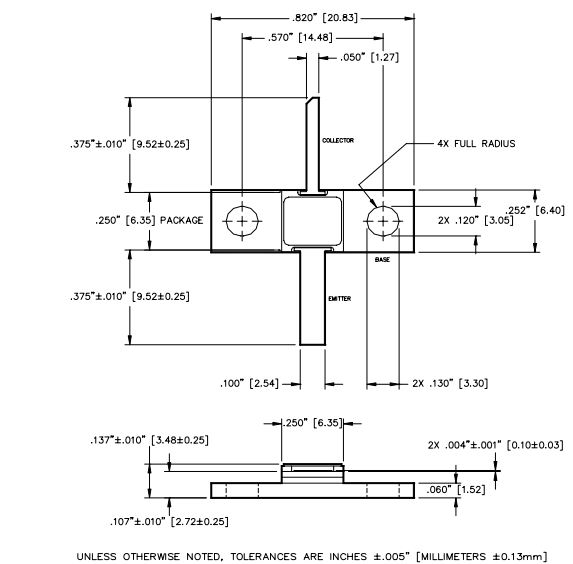
MABC-001000-DP000L功能摸塊為被測元配件封裝(DUT)出具適當的的柵極額定交流的額定電壓和智能漏極額定交流的額定電壓偏置。該功能摸塊還出具偏置順序,為了保證智能漏極額定交流的額定電壓未能加入的到被測元配件封裝,除了具備負柵極偏置額定交流的額定電壓。偏置把控器功能摸塊很好解決細則為全部的MACOM高工作功率納米線管出具保養和各式各樣把控,收錄MACOM諸多的GaN商品樂隊組合。