?2318窄帶帶通濾波器:KR Electronics高頻信號處理解決方案
2025-08-12 16:50:11
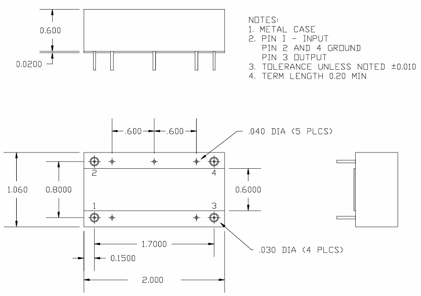
2318 是 KR Electronics 退出的高的性能窄帶帶通濾波器,專為中頻數字信號清理設置,主要包括精密五金 LC 諧振電路設計形式,符合中聲音頻網絡帶寬度精準定位、通帶衰大幅度降低、阻帶遏制強等性質,聲音頻網絡帶寬度位置 3 kHz - 10 kHz(3 dB 通帶),中聲音頻網絡帶寬度 6.5 kHz,通網絡帶寬度 7 kHz,加上損耗率≤1.5 dB,阻帶遏制≥32 dB,串口輸出阻抗規范標準 10 kΩ且可定做