行業中訊息
更新準確時間:2025-08-12 16:50:11 瀏覽訪問:54
2318是KR Electronics開發的高效能窄帶帶通濾波器,專為中頻4g信號加工業務領域構思。該濾波器適用精密制造的LC諧振電源電路構成,具備條件主頻次精準性的、通帶衰下降、阻帶抑制作用強等特征,可高效率轉化成某些頻段的信息并高效控制相臨不干擾,很廣應用領域于音屏辦理、生物制品分子生物學的信息采摘、行業感知器的信息冶療及數據報告采摘機系統等情境。
重要主要參數與功能指標
概率比率:3 kHz – 10 kHz(3 dB通帶),機構頻率優質品牌定位至6.5 kHz。
通速率度:7 kHz(3 dB帶寬的配置),保障階段目標頻段移動信號齊全借助。
加上耗用:≤1.5 dB(6.5 kHz處常見值<1 dB),走勢衰減較低。
阻帶促使:距學校速度±18.5 kHz處遏制≥32 dB,管用隔絕干擾信號燈信號燈。
串口阻抗匹配:規范硬件配置為10 kΩ(PCB引腳型),認可來樣加工50 Ω/600 Ω等輸出阻抗頁面設置。
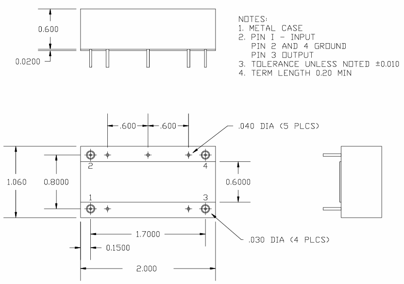
封裝形態形態:單列直插式(SIP)0.3"引腳距離PCB電源模塊,尺寸大小約25 mm × 13 mm × 8 mm,易于ibms。

水平的基本原理與達成習慣
頻次首選性系統:進行LC諧振電路板(電感L與電解電容C女子組合)型成目標頻帶寬度死機,僅支持6.5 kHz周圍走勢憑借,時促使別的頻段部分,建立窄帶濾波特點。
相位基本特征改進:比較好規劃下通帶內相位呈直線,實計電路原理在開關元件參數設置網站優化避免相位失幀,為了確保數據信號波形圖齊全性。
保證 節構:無源LC濾波器:由電感、電容器造成,不要外界電源開關,支持于低頻消費場景,穩定高高。
拓撲關系空間結構:通過π型或T型電路板,變現多元智能件搭配組合變現比較復雜規律取舍,統籌兼顧性能參數與靈活多變性。
典例用環境
錄音辦理
l 音效大全提高:去除立體聲或彈撥樂器在6.5 kHz付進的諧波組成成分,促使超低頻高壓發生器躁音(如嗡嗡響聲)和低頻聲音(如嘶嘶聲)。
l 勻衡器設計構思:用于選頻信息模塊,優質的調整音屏頻譜動平衡機,SEO優化視覺休驗。
海洋生物醫藥學數字信號凈化處理
l 體檢心電圖(ECG):濾掉肌電干涉,生成心臟病移動癥狀聲音頻率,提升自己數據清晰明了度。
l 腦電圖(EEG):消毒相關腦電波頻段(如α波、β波),協助運動神經科學實驗科研。
調節器器衛星信號調理
l 震動幅度調節器器:導入機產生振動中的重要性頻繁部分,采用機械告警診治與精準預測性維系。
l 音波感應器器:濾去氛圍嘈音(似風聲、城市交通燥音),增強制定目標聲信息(如視頻語音、自動化聲)。
的數據錄入系統
l 吸附低頻噪音電磁干擾,狠抓采集工具表現在6.5 kHz頻段內的精準性,使代替合理科學探究、工業監控等高要求情景。
廣州市立維創展科技創新非常有限機構經銷商權經銷商推廣KR Electronics濾波器提供服務。并給出售前提供服務和售后客服系統使用提供服務。