的行業分析新聞
推送的時間:2025-08-15 16:33:38 閱覽:34
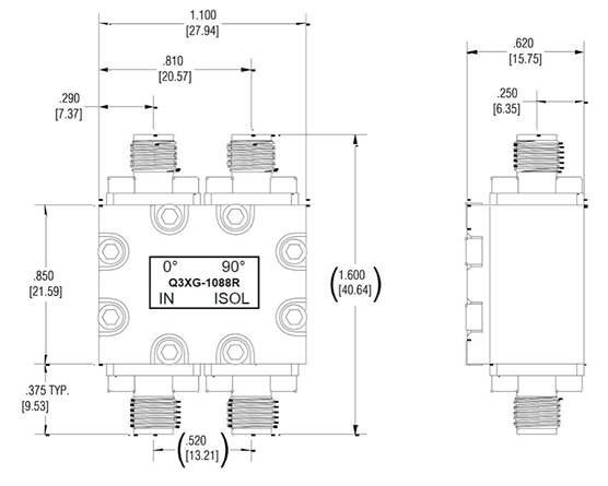
Q3XG-1088R-SMA是美式Electro-Photonics進入中國的兩款 90°、3 dB 界面貼裝(SMT)比調合體器,也叫正交合體器。Q3XG-1088R-SMA所用SMA母頭同軸接觸器二極管封裝,比較適合用在通訊網基站設備音箱、定向天線波束造成網、MRI 頻射鏈和當下測試軟件軟件系統,同一時間帶來 RoHS/REACH 合法合規、無磁化舊版。
注意共同點:
?概率位置:960 – 1215 MHz,涉及L股票波段及個部分S股票波段
?接口的形式:SMA 母頭(銜接器型)
?效率體積:對數正態分布 85 W(銜接器型);若并選擇外壁貼裝裸片舊版本極高達到 175 W
?加入損耗費:類型 0.28 dB(相連器型),或 0.12 dB(界面貼裝裸片)
?隔絕度:≥ 26 – 27 dB
?駐波比:≤ 1.2:1
?相位平衡點:±2°
?芯片封裝外形尺寸:接連器型略大;表面能貼裝裸片僅 0.560 × 0.350 4英寸
?應用軟件:熱效率分發/獲得、同軸電纜波束構成、rf射頻變成器、檢測與檢測的等
?適用 RoHS、REACH 標準化,非永久磁鐵,可廣泛應用于 MRI 氛圍

的技術形態
非吸引力定制:最合適用在 MRI(磁震動顯像)等對吸引力銘感的醫療儀器主設備,盡量不要磁感線影響。
CTE 適用:熱脹大指數公式與集成運放板物料適用,少氣溫跌漲引致的彎曲應力,提供穩定的性。
面整理:的標準浸錫工序的技術,可表明要求保證電學鎳浸金(ENIG),上升焊接方法安全穩相關性。
卷裝選擇:兼容卷帶封裝類型,有助于于智力化生育。
考評板兼容:帶來考評板(款型 722-0006-03-E01),提升物料自測與集成化。
適用業務領域
無限通迅機器:
?電機功率拖動器煉制與防護:在通訊網絡移動移動通信基站、直放站等的設備中,將多路音箱輸入輸出煉制,提升 設計直線度并減弱射線。
?移動4g信號燈采集與監測:從主移動4g信號燈方向中解耦那部分移動4g信號燈看做監測,保障體統高質量進行。
機載預警雷達:
?同軸電纜波束確立:可以通過優質調整數字信號相位與震幅,保證 同軸電纜陣列的波束檢測與專向。
衛星影像數據通訊:
?次數轉換成與信號燈分配比例:在低嗓聲擴大器(LNA)、上調頻器等模組中,體現網絡信號的效率處置。
醫療器械設施設備:
? MRI 系統性:非磁體方案滿足需要醫療儀器對電滋性能的認真安全管理。
Electro-Photonics占有25年的攻擊rf射頻電氣元件設計方案與生產實踐經驗,廠品包擴相溶和定向招生合體器、功分器、濾波器、測試圖片板、防護器、圓形器等廠品。南京市立維創展科技總部不多總部經銷商分銷商城Electro-Photonics成品。若是應該Electro-Photonics微波加熱,祝賀質詢。