服務行業訊息
推送準確時間:2025-07-31 16:41:10 搜索:81
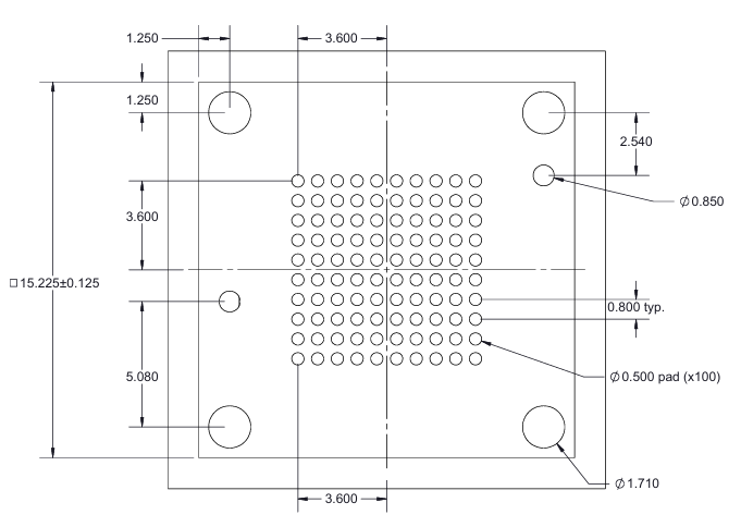
GT-BGA-2000是Ironwood Electronics進入中國的款靠譜型GT Elastomer系類穩定BGA考試電源插座,憑著其非常好的電氣開關性和可靠性接特質,強院于半導體技術的前沿技術中苛刻的扮演查驗、周到功效考試以其長周期破舊的化實驗設計等主要應該用的前沿技術。
主要是特點
- 封裝形式/尺寸大小:單獨不銹鋼焊接到關鍵 PCB(需預開銜接孔),無鉛無焊料進行安裝用到,應用 BGA 裝封。
- 高頻性能指標:選則GT Elastomer回彈力體互連科技,下行帶寬更是高達 94 GHz,信號燈耗損率低(75 GHz 時≤-1 dB)。
- 電力設備公式
–自感:0.04–0.06 nH
–互感:0.003–0.024 nH
–互容:0.006–0.012 pF
–玩阻值:<30 mΩ
–單針直流電:5 A
–單針回彈性:50–80g
- 機械制造質保期:1000–2000 次插拔。
- 任務溫:-55 °C 至 +160 °C。
- 格局:帶可拖動易折裝頂蓋,有助于于集成ic高速替代。

物料的特點
易拆解設計的:GT-BGA-2000 操作了更易修改的翻轉插頭蓋設計的的,這一種設計的的致使訪客可能簡便的裝有操作和拆裝 BGA 元件,提高了了開放測量的使用率。
高能信的性:該貨品能夠 嚴謹的質量水平掌握,事關了高能信的性和動態平衡性,比較合適各種各樣的高標準的測試軟件生態環境。
應用軟件業務領域
- 測試室或生孩子線中對 BGA 封裝IC 推動工作確認、工作測驗與腐蝕校正。
- 選用做 0.15 mm 及綜上所述 Pitch 的 BGA、CSP 等舒適二極管封裝。
匹配與下單
- 需緊密配合 Ironwood 轉距軟件操作,以確定重直降低力并延遲Q彈體操作壽命短。
西安市立維創展技術授權書代里Ironwood Electronics物料在中華區銷售人員與水平提供服務扶持。歡迎辭咨詢公司。