業信息
發布消息耗時:2019-02-20 16:00:57 訪問:1719
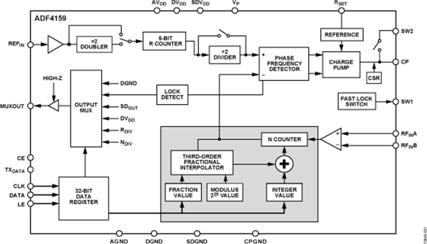
ADF4159WCCPZ由低噪聲數字鑒頻鑒相器(PFD)、精密電荷泵和可編程參考分頻器組成。 該器件內置一個Σ-Δ型小數插值器,能夠實現可編程小數N分頻。 INT和FRAC寄存器可構成一個總N分頻器(N = INT + (FRAC/225))。
ADF4159WCCPZ可于完成頻移鍵控(FSK)和相移鍵控(PSK)配制。 仍有一部分可的速率檢測模式,,可在頻域內造成不同的波形參數,這類波浪紋波和三角型波。 檢測行布置為定時進行,也行布置為確認內部脈沖激光手動引起每位進行。 ADF4159WCCPZ兼有周跳抑制控制電路,可進一個步驟還縮短綁定時段,而不能自己更該環路濾波器。 各種片內寄存器均能夠 簡易的二線式標準接口參與操控。 ADF4159用于2.7 V至3.45 V模似24v24v電源和1.62 V至1.98 V阿拉伯數字24v24v電源配電,沒用時還可以關斷。
| 品牌 | 型號 | 貨期 | 庫存 |
| ADI | ADF4159WCCPZ | 1周 | 100 |
應用軟件
優勢和特點
示意圖
