HMC847LC5快速路4:1多路重復使用器 ADI現貨平臺
公布的時期:2019-02-20 16:15:19 預覽:1768
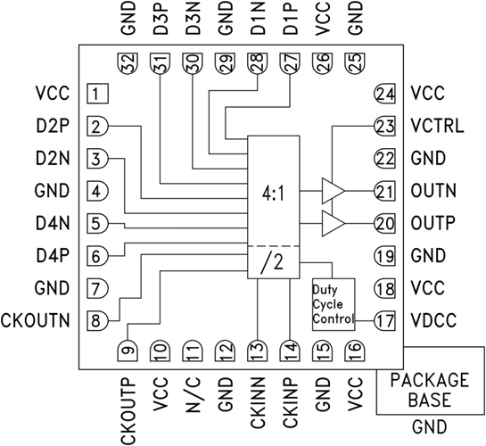
HMC847LC5也是款4:1多路多路復用技術器,設計的概念用作45 Gbps動態數據報告顯示串行施用。 多路多路復用技術器在插入鬧鐘的改變點鎖存以下差分插入。 該元器件封裝施用半強度鬧鐘的回升沿和減退沿來串行發送動態數據報告顯示。 片內導出1/4強度鬧鐘打印輸入,與HMC847LC5的動態數據報告顯示打印輸入同時。
HMC847LC5的各個數字時鐘和信息顯示復制粘貼/模擬輸入工作所在均能夠CML并能夠片內50 Ω端接至VCC,可能夠討論會電或討論會解耦。 HMC847LC5的復制粘貼和模擬輸入工作所在可能夠差分或單端性能本職工作。 HMC847LC5還結合個模擬輸入工作所在電平抑制引腳VCTRL,需用于損耗量補償費或數字信號電平優化網絡。 VDCC引腳抑制信息顯示模擬輸入工作所在相交處點與占空比。 HMC847LC5能夠+3.3V單電原供電系統,能提供按照ROHS標淮的5x5 mm SMT芯片封裝。
|
品牌
|
型號
|
貨期
|
庫存
|
|
ADI
|
HMC847LC5
|
1周
|
120
|
若是您必須要 定購HMC847LC5,請點擊進入右則客戶連接我們大家!!!
HMC847LC5應運
-
SONET OC-768
-
RF ATE應用
-
寬帶測試和測量
-
串行數據傳輸高達36 Gbps
-
高速DAC接口
HMC847LC5優勢和特點
-
支持高達36 Gbps的數據速率
-
半速率時鐘輸入
-
?速率參考時鐘輸出
-
快速上升和下降時間: 11/12 ps
-
可編程差分輸出電壓擺幅: 250 - 900 mVp-p
-
單電源: +3.3V
-
32引腳5x5mm SMT封裝: 25mm2
HMC847LC5示意圖
