AN-XA7UXXXX系列 SMD TCXO/VCTCXO晶振NEL Frequency Controls
2024-06-18 08:54:30
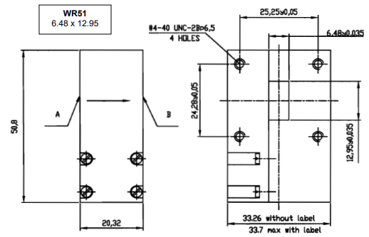
AN-XA7XUXXX-X類別SMD TCXO/VCTCXO都是款高性單單從表面貼裝濕度征收土地賠償結晶體自由振蕩器,優勢涵蓋不同規格的中小巧性、低輪廓線、非常低的相位燥聲、精湛的聲音頻率平衡性、低G精確度度、不用辦理乘法器、可和程序編寫性和不同多樣的基本功能。它選采用Sonet/SDH、搜集以太網、不同規格的中中大型通信基站、統計、GPS版塊等若干鄰域。保證不同封口和電阻首選項,玩家可依照Package Code、Supply Voltage Code等參數值型號選擇。