EQ1251-XX增益均衡器API-Inmet
2024-07-15 09:08:55
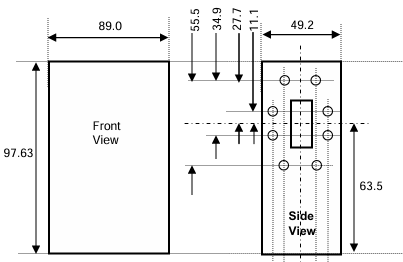
EQ1251-XX也是款固定不變收獲值營養均衡器,概率區間圖為2到18 GHz,適用做于概率各種相關的收獲值改變。其電子商務參數值分為可以的Δ斜率從2到35 dB,更大復制到不足在18 GHz處為0.36 ± 0.02 dB,線型度在2-10 dB區間圖內為±0.75 dB,更大復制粘貼/打出工作功率在+25°C時為1W。物理優點分為便用Passivated Stainless Steel SMA接觸器,操作方法熱度區間圖為-54°C到+125°C,具有RoHS請求,主要包括改性環氧樹脂密封膠接觸器,展示 實用性和可信性。