該行業咨訊
發表日期:2024-07-15 08:59:06 搜素:6012
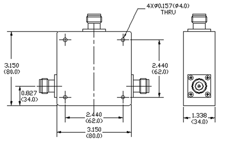
在無線通信和射頻工程領域,選擇合適的組件對于確保系統的高效運行至關重要。WENTEQ F2519-0280-29-N10大功率同軸射頻環行器正是這樣一款專為滿足高要求應用而設計的先進設備。本文將詳細介紹其關鍵特性、電氣規格及其在實際應用中的優勢。

| Part No | Freq Range MHz | Insertion Loss,dB | Reverse Isolation dB | VSWR | Forward Power Watts | Temp Range,℃ |
| F2519-0262-29-N10 | 225~300 | 0.6 Max | 18 | 1.35 | 250 | 0~+85 |
| F2519-0280-29-N10 | 240-320 | 0.5 Max | 18 | 1.35 | 250 | 0~+85 |
| F2519-0280-29-S01 | 240~320 | 0.5 Max | 20 | 1.25 | 50 | -40~+85 |
主要特點包括:
寬頻繁帶寬使用:鼓勵225-300 MHz和240-320 MHz等多家頻段。 對接器界面:具備N型或SMA母頭對接器,以及集合。 低插入表格耗費:最大程度不達到0.6 dB,確保安全的信號快速無線傳輸。 高交叉隔開:最好18 dB,不斷提升操作系統性。 高工作瓦數清理:能夠將高達250 Watts,采用到大工作瓦數消費場景。 穩定可靠的堅固耐用:約990克,事關機器設備穩定可靠的性。電氣規格:
是一款環行器是rf射頻水利技術工程師和有線通信設備科研專家的理想化選定,適合于多種類高耍求場景。
蘇州市立維創展科技信息是WENTEQ的生產商商,主要是帶來了WENTEQ設備具有方形器、防護器、過載終端機等,設備原裝機德國,效率保證質量,價格優質,誠邀管理咨詢。