服務行業動態新聞
發布信息期限:2024-06-12 09:07:03 挑選:837
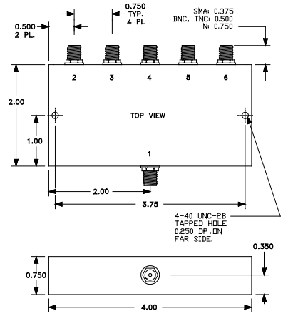
Synergy的DEK-701S是一款高性能的5路功率分配器,專為需要精確功率分配的應用而設計。該設備的關鍵特性包括寬頻帶、低損耗以及緊密控制的相位/幅度不平衡。其頻率范圍覆蓋了從0.05至30MHz,能夠滿足多種頻段的需求。

在插入損耗方面,DEK-701S在不同頻段下的表現有所不同,從0.05至0.5MHz的頻段內,插入損耗的典型值為0.3dB,而在15至30MHz的頻段內,這一數值上升至0.6dB。隔離度方面,設備在不同頻段下也提供了具體的典型值和最小值,確保了信號的清晰分離。

相位不平衡量最大為4度,幅度不平衡量最大為0.3dB,這些參數保證了功率分配的穩定性和精確度。輸出阻抗為50Ohms,最大輸入功率為1瓦特,這些規格使得DEK-701S能夠適應多種功率需求。操作溫度范圍從-40至+85°C,這意味著DEK-701S能夠在極端的溫度條件下穩定工作,適合在各種環境中的應用。連接器類型為SMA母頭,其中一個是輸入端口,其余四個為輸出端口,方便與各種設備連接。
規格參數:
| SPECIFICATIONS (Rev.B 08/30/06) | |||
| Frequency | 0.05-30 MHz | ||
| Insertion Loss (dB)* | Freq (MHz) | Typ. | Max |
| 0.05-0.5 | 0.5 | 0.9 | |
| 0.5-15 | 0.3 | 0.7 | |
| 15-30 | 0.6 | 1 | |
| lsolation (dB) | |||
| Freq (MHz) | Typ. | Min | |
| 0.05-0.5 | 25 | 20 | |
| 0.5-15 | 30 | 25 | |
| 15-30 | 25 | 20 | |
| Phase Unbalance(Deg.) | 4°(Max.) | ||
| Amplitude Unbalance (dB) | 0.3 (Max.) | ||
| Output Impedance | 50 Ohms (Nom.) | ||
| Input Power | 1 Watt (Max.) | ||
| Operating Temperature Range | 40 to +85°C | ||
| *In excess of the 7 dB theoretical split loss | |||
南京市立維創展科技發展是Synergy的經銷處商,注意可以提供Synergy微波通信壓控自由諧振器器、氯化鈉晶體自由諧振器器、鎖相自由諧振器器、鎖相環規律合成視頻器、混頻器等食品,食品屬于美利堅南部的進行入口,迅猛卡死我國投資者的訴求。歡迎大家顧問。