S波段高增益高功率砷化鎵場效應晶體管AM120MH2-BI-R
2018-11-05 15:21:31
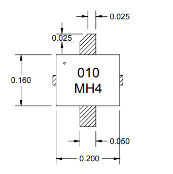
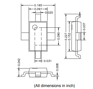
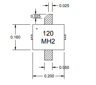
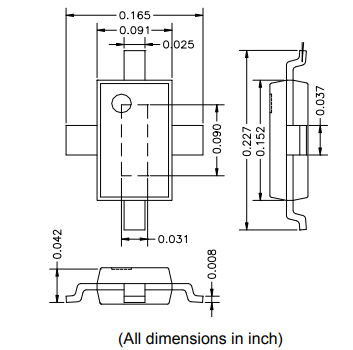
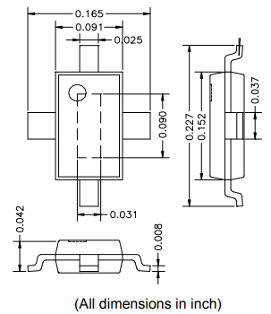
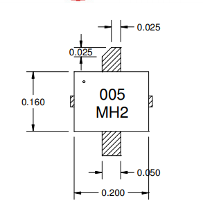
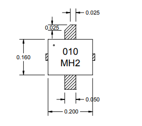
S股票波段高增益控制高電最大輸出功率砷化鎵場不確定性納米線管AM120MH2-BI-R,HIFET是這部分符合的認證的設備裝置,用到高電阻值、高電最大輸出功率和光纖寬帶應運。該集成電路芯片的總集成電路芯片外場為24mm。AM120 MH22-Bi-R是為高電最大輸出功率紅外光應運而規劃的概念的,工作上幀率獨角獸高達6GHz。BI系類所采用種異常規劃的概念的瓷磚芯片封裝,兼備打彎或平行線的引線裝置途徑。