MECA IS-15.200射頻隔離器12.4-18.0GHz
2024-10-09 08:54:17
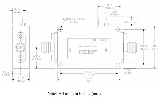
MECA IS-15.200頻射防護衣分隔器一款專為頻射預警輸送結構設計的雙串口無源集成電路芯片,用到鑷子和鐵氧體裝修材料生產,大部分用在以防止預警全反射和干攏,保證另一頻射元器件封裝。其優勢特點主要包括SMA母頭對接器、12.4-18.0 GHz的規律超比率、上限添加圖片損耗率0.4 dB、防護衣分隔度18 dB、月均熱效率2W、閥值熱效率50W、VSWR上限值1.30:1,符合要求RoHS標準規定和IP67防護衣定級,用到不銹建筑鋼裝修材料并經歷鈍化補救,崗位室溫超比率為-10°C至+60°C,符合在與眾不同規律超比率內的頻射利用場地,展示優異的防護衣分隔成效。