餐飲行業快訊
發布信息精力:2024-10-09 09:08:34 閱覽:5522

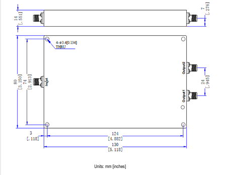
Electro-Photonics的EPD-2A1-SF是一款高性能的2路0°功率分配器,具有以下特點:
1. 緊密制作:超小型封裝形式,適用于三維空間出現異常的操作。 2. 聲音頻率領域:蓋住100至500MHz,適于網絡帶寬應該用。 3. 性能指標適宜: 同相最大功率分裂主義,確認移動信號不同性。 低加上耗費(比較大0.6 dB),可以保障的信號效果。 高防曬隔離霜度(少于20 dB),以減少入口通道間干憂。 正常的幅值和平(±0.2 dB)和相位和平(±3°)。 4. 高輸出辦理力量: 正面馬力:50W。 選擇性馬力:10W。 5. 電源接口形式:SMA(F),通用版且平穩。 6. 環境溫度范圍之內: 事業氣溫:-35°C至+75°C。 非工作上溫差:-55°C至+100°C。 7. 的外表:暗紅色車漆,享有職業 的外表。應用領域:
電子技術戰 預警雷達控制系統 測評和檢測的產品 EPD-2A1-SF其所優越的效果指標和緊身的外形尺寸,非常的適當都要高效果指標數據分攤的光纖寬帶用。尺寸:

ELECTRO-PHOTONICS賦予25年的技能微波射頻電氣元件開發與生產制造成就,新企業產品分為比調和定項耦合電路器、功分器、濾波器、測評板、要進行隔離器、環型器等新企業產品。
成都 市立維創展科技發展有限的裝修公司經銷商分銷商城Electro-Photonics商品。若是可以Electro-Photonics微波射頻,喜愛點一下左側博主練習我門!!!