AVP和AVN系列超高壓輸出電源模塊 PICO產品 原裝現貨
2019-10-17 11:31:29
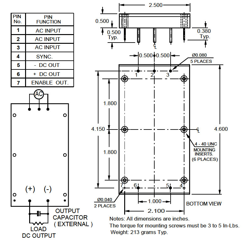
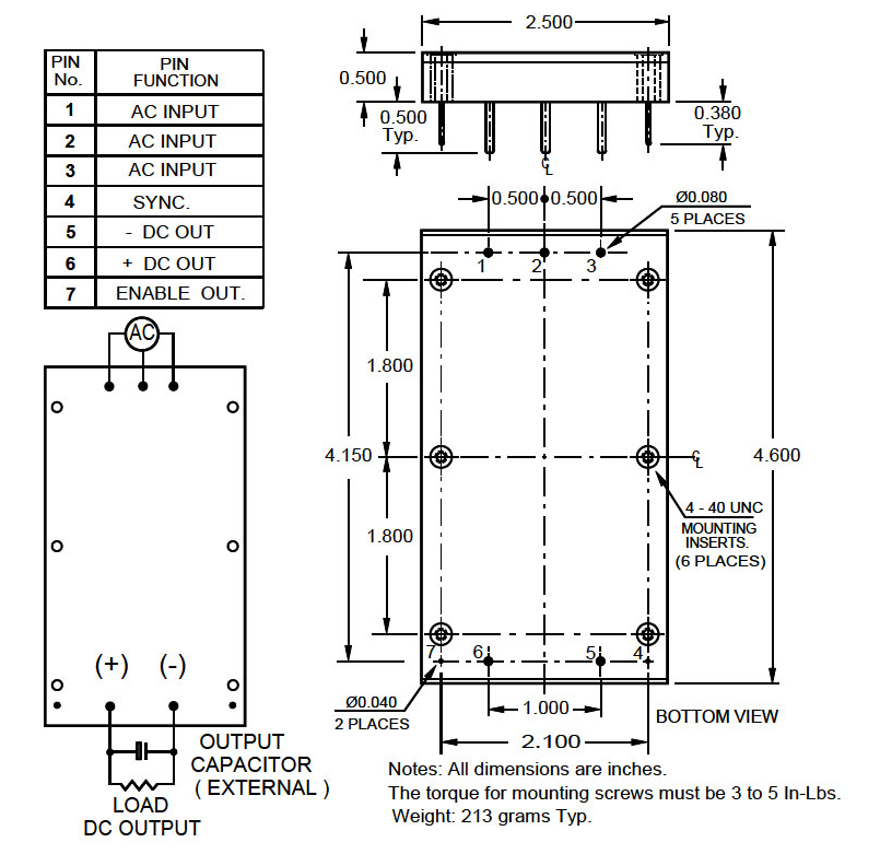
AVP和AVN類型過高壓打印事情輸出開關電源開關適配器控制功能是PICO我司的添加圖片式DC-DC轉變器,AVP類型開關電源開關適配器控制功能與AVN類型開關電源開關適配器控制功能都包括超大中型轉變器,超小面積,單重僅5g,用于超大中型二極管打包封裝二極管打包封裝,過高打印事情輸出電流值在6,000 VDC至10,000 VDC,兼備高穩定性,事情室溫區域-25℃~ +70℃,另外不需要熱量散發片或電器降額