2kw380V聯絡AC-DC外接電源版塊功能帶PFC_國外PICO外接電源版塊功能HPHA2
上架時刻:2019-01-25 11:23:22 看:3310
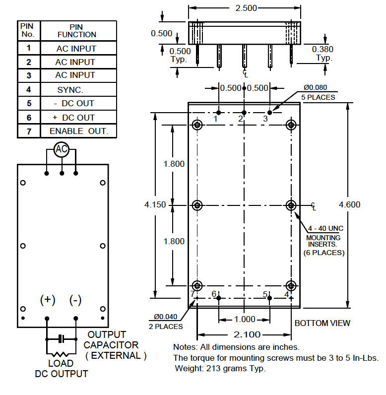
PICO的2kw三相四線制供電聊天信息AC-DC供電電源模塊HPHA2是適宜于單相電或三相四線制供電搜索/直流電傷害應該用的專用聊天信息電的帶PFC理想化自動化測試。標準化2.5“x 4.6”x 0.5“寸尺大小是階段市場中上運轉電阻值時間范圍較小的寸尺大小之首。帶來365V穩壓直流電源轉化,能作作PICO FD / MD / LFD / LMD /的網頁前端LPD / PD和HPD全系列DC-DC轉化器可帶來3.3V至300V DC。除此之外,不少激光機器和主軸電機利用都能以一直用HPHA2的365V DC轉化。對待各不相同的轉化電阻值和優化的運轉溫度因素,請網絡咨詢各位。
|
品牌
|
型號
|
貨期
|
庫存
|
|
PICO
|
HPHA2
|
1周
|
500
|
|
如若您需要購HPHA2,請點擊右側客服聯系我們!!!
|
標志性成效:
-
包含EN / IEC 61000-3-2特殊要求
-
通用型鍵盤輸入工作電壓(47至440Hz)(85至250V AC)或208V AC±20%。線對線相電壓鍵入條件
-
所在熱效率: 2000W(以每伏0.5%的傳輸率從220V AC減少為170V AC)
-
輸出條件: 0.99(從50%到100%FL)
-
微信同步引腳:關于要有微信發送到的系統性,是可以選用100 KHz的微信發送到網絡信號。
-
激活引腳:使用于處理Pico DC-DC轉化成器點擊,陪你到HPHA2的傷害在可聯受的限制位置內。會直接接連到PICO的LP / P / HP DC-DC信息控制器的關斷引腳,使能引腳將實現DC-DC信息控制器關機,等到HPHA2的輸入在能接受的影響范圍之內內。假設DC-DC組件已經保證重過載,這代表著著這將不不能DC-DC轉變成器在<300伏輸入時拉開,當中HPHA2要保證I =主機電源/ Vout的工作電流。
-
吸收率: 90%或越來越高(從170到250V AC或三相四線制放入不大95%)
全面電子商務規范性:
主意:穩壓365V整流模擬輸出可直觀使用大多數高壓電機,皮秒激光和直觀驅動器軟件應用。
-
統一讀取電壓值(47至440 Hz): 85至250V AC。
-
需注意: 對待110 / 220V AC操作流程,不許接“AC3”接線端子。
-
降額所在耗油率超過220V AC(參加上邊的“的輸出工作效率”)
-
在以上60 Hz的次數,功效質數將變大。如不專項 規定要求,請詢問PCB電路板工廠。
-
為換取最優效應,個人建議便用170至250V AC。(110V AC投入的舉例熱成功率為90%,220V AC投入的舉例熱成功率為95%)
-
單相搜索: 208V AC±20%線對線三相電機搜索
-
效果耗油率:較大2000瓦@ 220V AC。將轉換瓦數從220 VAC直線較低0.5%/ Volt至170 VAC(明顯瓦數@ 170 VAC搜索= 1,500 W)。110 VAC最明顯1,000瓦。將工作輸出工率從110VaX波形下降1.2%/ Volt至85 VAC(明顯工率@ 85 VAC發送= 700瓦)。
-
滿艙時的輸入輸出電流值容差: ±2%
-
工做聲音頻率: 100KHz
-
上班熱度: 0oC至+85oC的基板,不同額定容量工作電壓。
-
所需要的效果濾波電容:提倡在2000W時為1.5m F至1200μF。這將以確保紋波的電壓不大于10Vpp。 請參閱一些熱效率電平,輸電線路率或Vpp紋波的公式計算。
-
隔離:
-
進入到傳輸:無
顯示/打印輸出究竟 板:2121V DC
-
電動機扭矩調試: (10%至100%阻抗±3%)
-
熱關斷: 90至100oC底板
-
串電保護區: HPHA2需用一款與投入并聯的15安培迅猛熔斷機制保險費用絲。
-
載重量: 7.2盎司(231克)一般
2kw三相交流AC-DC電源模塊結構圖
