TQP7M9105小型蜂窩基站5V高線性度驅動放大器 Qorvo現貨熱銷
2018-07-26 14:12:01
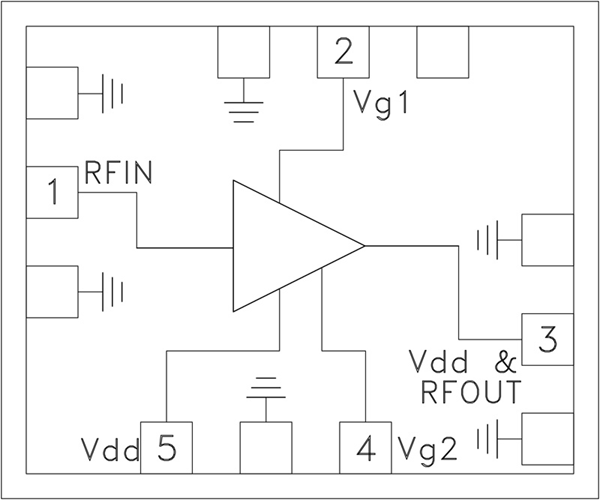
Qorvo的TQP7M9105是1W 5V全自動蜂窩基站天線?高平滑度動力圖像電壓調大器,進行規則SOT-89外觀貼裝二極管封裝。在0.9 GHz時,TQP7M9105提高19.4 dB增益控制,超多49 dBm OIP3和+30 dBm縮減1dB瓦數,互相吸取十分的低的220 mA交流電。企業內部集成運放能圖像電壓調大器提高擁有“AB類”錯誤率的“A類”平滑的性能。TQP7M9105一般包括片上達成的額外增加申請效果,使其與餐飲市場上的許多服務不同于來