產業方式
發布消息耗時:2025-04-10 16:05:53 訪問:380
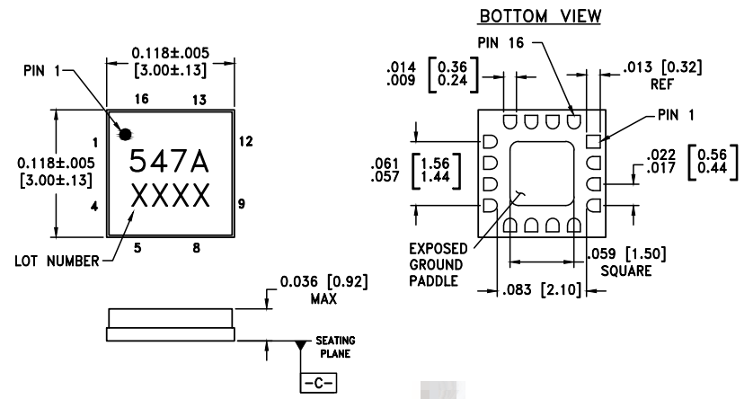
HMC547ALC3公用聯通寬帶高隔離開度非反射層型GaAs pHEMT單刀雙擲(SPDT)轉換開關,進行具有工業制造標準規定的3mm×3mm無引腳瓷質表面能貼裝芯片封裝技能。HMC547ALC3事情頻段涉及電流(DC)至28.0 GHz,在全頻段依據內可構建不同于40 dB的服務器端口要進行隔離度,同樣保護復制到耗費降至2 dB的良好耐磨性統計指標。
其個性的寬帶網絡因素、高效設置力量及省油的suv的裝封設計,使其變為軍事化電子技術戰/電商抗衡系統化及容柵等級測試方法機械的理想型很好解決情況報告。HMC547ALC3選取-5V/0V互補式負邏輯性保持線電壓方案設計的,不需內部偏置供電就可確保固定本職工作,有效率要學會簡化了系統的設計的多樣化度。

特點
高隔離霜度:10 GHz時為45 dB
20 GHz時為39 dB
低讀取自然損耗:1.9 dB@10 GHz
2.2 dB@20 GHz
高速添加:6ns
非透光設計構思
16芯衛浴陶瓷3x3mm SMT封裝類型:9mm2
常見使用
?網絡光纖和帶寬電信網
?微波加熱無限電和甚圓洞徑手持終端
?警用無限電、預警雷達和ECM
?測評機器設備
東莞 市立維創展科技創新是ADI的電商代理商,重要可以提供調小器、曲線服務、統計數據裝換器、音頻視頻圖片服務、寬帶網服務、鐘表和要定期IC、光仟微波通信廠品、插口和區間、MEMS和傳控制器器、主機電源和熱經管、進行手機處理器和DSP、rf射頻和平面圖形整理器、電源開關和分配比例器等,廠品原裝進口外盤,價位優越,喜愛咨詢服務。
上一篇: 高速模數轉換器ADC時鐘極性與啟動時間