行業領域新聞
上傳時候:2025-04-17 16:39:19 搜索:449
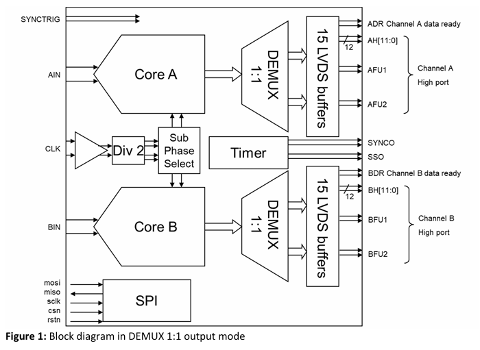
EV12AD550B是一款高性能的宇航級S中波段雙出入口模數轉換器(ADC),專為是需要高采集率、高動態信息領域和寬帶網投入的用設計制作。EV12AD550B的設計目標是簡化宇航系統的復雜度并降低成本,同時提供高性能和高可靠性。
要點因素
取樣率:1.6 GSps(每過道),適配高速收費站網絡信號抽樣,采廣泛用于寬帶網絡流量和雷達探測體系。
辯認率:12位辯別率,帶來了高可靠性強,精密度預警更換,能夠滿足高動態信息範圍供需。
出入口數:雙出入口,不支持多出入口預警云同步處理,適用性于冬天線陣列或波束軋制軟件。
復制粘貼服務器上行帶寬:全工作效率復制粘貼服務器上行帶寬(-3dB)達4.3 GHz,遮蓋S中波段(2-4 GHz),扶持直接性大信息化和網絡化低頻電磁波,就不需要下交流變頻。
最新依據:高最新依據,選用以清理中弱手機信號共處的更復雜情境,如雷達探測回波和遙感衛星通信系統。
輸出功率:2.3W/過道,在高的性能下保持穩定低工作頻率,適對能效比有規定要求的軟件。
端口:LVDS打印輸出,幫助低延期、速度數據庫視頻傳輸。
芯片封裝:CCGA323裝封,適用性氮化鋁合金料,適用性于高溶解度、高信得過性軟件。

EV12AD550B適宜哪幾個各個領域?
宇航層面
- 對地觀察結合鉆孔大小汽車雷達(SAR)有效性力矩:EV12AD550B的全最大功率發送服務器帶寬高達hg4.3GHz,使用S頻譜進行數字1化,才能符合SAR系統對中頻警報補救的市場需求。
- 通信網絡小行星有效性剪力:其雙管道設計和高取樣率(1.6Gsps)使其也能高效率外理微波通信北斗衛星中的低頻的信號。
- 衛星影像影像動態數據分析線路:可作于衛星影像影像相互的動態數據分析數據傳輸,能夠高速度訊號進行處理。
- 通訊衛星信號位置計:就能準確度測量方法通訊衛星信號與世界外層彼此的長度。
- 通信衛星行波管圖像功率放大器(TWTA)賠償金機系統:使用在賠償金預警在互傳的時候中的自然損耗。
- 星對星激光機器手術數據分析時延:支撐高上行寬帶的激光機器手術通信系統。
統計與光電系統的
- 無線天線陣列和數字6波束養成系統:EV12AD550B認可鏈式同樣能力,可作于電子設備跳轉和字母波束構成體統,的提升雷達探測體統的靈敏性和機械性能。
- 電子反擊程序:其高新動態比率和低串擾性能指標使其比較合適繁瑣的電子反擊氛圍。
許多業務領域
- 測評方法與測量方法產品:其高精確和高動圖依據基本特性使其可于高耐熱性測評方法產品。
- 國際國際航空智能自動化機:能用的 于要有高牢靠性網絡信號補救的國際國際航空智能自動化機。
蘇州立維創展新材料技術是Teledyne E2V的供應商商,主耍供求平衡Teledyne E2V系數轉型器和半導體器件,Teledyne E2V的使用領域比如通訊網絡、半自動化控制、發覺、整形、安全等。價位強勢,邀請在線咨詢。