這個行業介紹
披露日子:2025-08-01 16:40:20 打開網頁:71
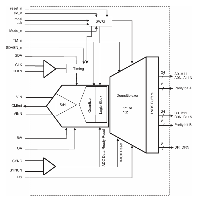
EV12AS200A的“抽樣延遲時間上下調整”特點實際上上是在 ADC 抽樣掛鐘路徑分析里讀取一部可c語言編程、步進電機 24 fs 的廷遲線(Delay Line)。實現亞皮秒級的時位移,把差異的安全通道或差異的集成塊的抽樣沿拉到相同一款相位基準線,然后把原先由鐘表歪歪扭扭、PCB 布線差、元器件封裝企業內部外徑顫動等造成 的軟件相位誤差度壓得很低的到 24 fs 數量級。
1. 相位偏差的源
? 鬧鐘分散偏斜:多片 ADC 或 FPGA 接收入端之中的布線尺寸差、相連器公差、緩解器廷遲差別。
? 鉆孔大小震動:ADC 內部組織采樣系統旋鈕拆開瞬時的時域顫抖。
? 熱漂移:溫差轉化產生硅時間延遲、接入線表面電阻率轉化,引起相位漂移。
2. 調整延期線的成分
基帶芯片內在取樣數字時鐘插入(CLKP/CLKN)時候嵌入一件大數字把控好的反相器鏈,每級廷遲 ≈ 24 fs,共 127 級 ≈ 3 ps 可調節范圍之內。用 7-bit 寄存器(Delay_Trim[6:0])讀取,才可以讓監測沿建筑體盡早或延后,步進電機控制只是 24 fs。

3. 相位gps精度改善的初中數學直接關系
? 針對 1.5 GSPS、3.3 GHz 滿效率資源帶寬,24 fs 匹配相位精度 ≈ 2π × 3.3 GHz × 24 fs ≈ 0.5°。
? 在相控陣、波束造成或 I/Q 解調系統中,通暢間相位誤差值每縮減 1°,波束指明數據誤差可縮減 0.5°,旁瓣減弱提升 3–6 dB;或使正交解調鏡像系統治理和改善從 40 dB 上升到 50 dB 以下。
? 24 fs 的伺服電機遠需小于控制系統石英鐘發抖(非常典型 100–200 fs RMS),以至于可把“殘余物計算誤差”壓進 1° 以里,充分考慮亳米波雷達探測、移動寬帶通信系統對相位一樣性的嚴格追求追求。
4. 實踐施用標準流程
a. 上電后先讓整個集成ic跑自定義延時(0x00)。
b. 用外邊調校源(列如 100 MHz 正弦交流電或如圖相位的網絡帶寬 chirp)而且裝入各的通道。
c. 根據 FPGA 計算一個檢修通道的相位誤差 Δφ。
d. Δφ 換算成日期:Δt = Δφ / (2πf),再乖以 24 fs 取整,讀入 Delay_Trim 寄存器。
e. 其次采樣系統驗證通過,把穩定度精度壓到 < ±24 fs(即 < ±0.5°@3 GHz)。
5. 與外觀“羅馬數字插值”相對比的其優勢
? 純仿真超時線不曾加數字9處理超時,也沒有會帶來插值隨機誤差;
? 遲緩調低在 ADC 內部管理實現,FPGA 端不用再再做子抽樣偏移,合理節省思維模式教育資源;
? 溫度表漂移可動態圖片來補償:系統軟件可定期性地多次重復環節 a-e,滿足反饋控制相位跟蹤定位。
上海立維創展技術是Teledyne E2V的經售商,常見供求關系Teledyne E2V法向齒轉變成器和半導體設備,若為買家提拱 Teledyne E2V各款表 DAC(含宇航級建立)的選擇、估評板及技術性大力支持。定價主要優勢,喜愛咨詢公司。