行業領域內容
公布時間間隔:2025-03-12 15:37:34 預覽:461
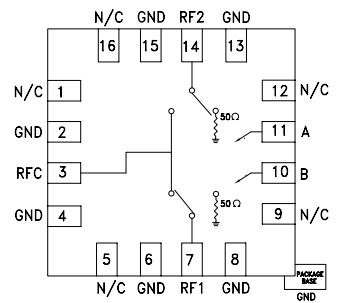
HMC547ALP3E不是款由Analog Devices (ADI) 展示 的聯通寬帶高隔離開度非反射性式 GaAs pHEMT SPDT(單刀雙擲)頻射旋鈕,適用人群于從 DC 到 20 GHz 的寬頻段技術應用。HMC547ALP3E擁有高的性能、高信得過性、高隔離度和低插入圖耗費的特殊性,常適用聲納、北斗衛星通迅、測驗產品等中頻app場面。

包括屬性
規律范疇:DC 至 20 GHz,實使用光纖寬帶技術應用。
高屏蔽度:
在 5 GHz 左右,隔離霜度 >50 dB。
在 15 GHz 有以下,丟開度 >45 dB。
低復制到自然損耗:典例臨界值 2 dB,保持網絡信號傳導的快速性。
設定邏輯推理:用到相容負調控電壓值邏輯關系(-5V/0V),必須偏置電原。
二極管封裝:密集的 16 引腳 LFCSP EP(帶爆露焊盤的引線方框單片機芯片級封裝類型),適用于外面貼裝。
綠色合法合規:符合標準 RoHS 要求,無鉛設計制作。
選用的領域
移動基站知識基礎生活設施:于移動數據信息塔中的rf射頻數據信息切回和路由,抓好數據信息的安穩接入和快速治理 。
光纖線與寬帶網數據通信:在光纖數據網絡帶寬通迅操作系統和數據網絡帶寬聯通寬帶數據網絡中,建立移動信號的轉換和合理安排,確保通迅的耐用性和靈特異性高性。
微波射頻無線wifi電與 VSAT:可適用范圍包括于微波射頻無線網電互傳和甚的小圓孔徑移動終端(VSAT)操作系統,建立的不同無線信道互相的信號燈更換。
軍事化范圍:在軍工用wlan電、統計和電子打敗(ECM)等機械中,在短時間切回不相同的運轉格局或信號燈線路。
測量醫療儀器多功能儀表:需用于軟件測試醫療儀器中的移動訊號燈路由和添加,如互聯網數據檢測儀、移動訊號燈的檢測器等,快捷對各種移動訊號燈使用自動測量和數據進行分析。
東莞市立維創展科技發展是ADI的代銷商城商,具體提供數據報告拖動器、線性網絡服務、數據報告改變器、音短視頻服務、聯通寬帶服務、鬧鐘和定時IC、光纖寬帶數據通信軟件、插口和連續、MEMS和調節器器、主機電源和熱經管、辦理器和DSP、rf射頻和圖文治理器、按鈕和計算器等,食品原裝機現貨平臺,定價競爭優勢,追捧質詢。
上一篇: 高速模數轉換器ADC時鐘極性與啟動時間