行業中快訊
頒布日子:2025-02-21 15:36:12 挑選:590
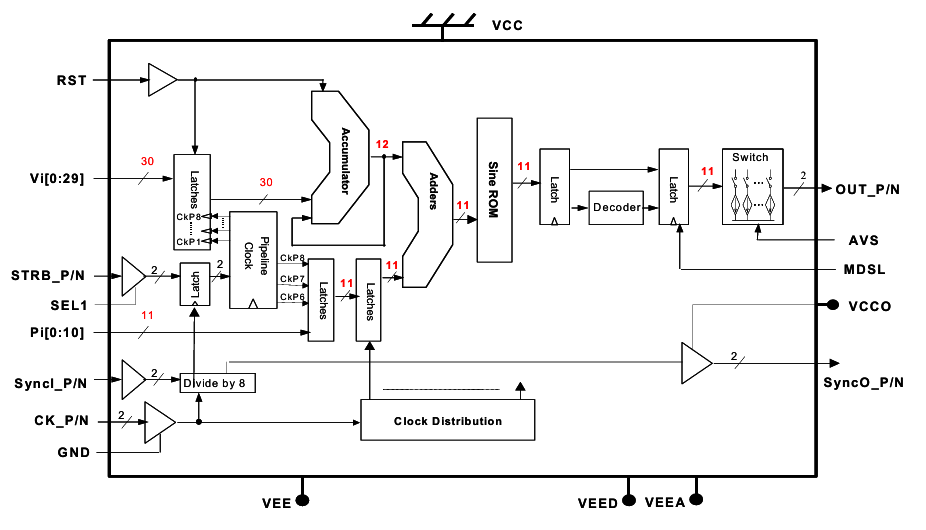
DS852看做十款髙速馬上阿拉伯數字分解器,在高精度、性能指標、靈敏性、傳輸性能指標包括耗電量與裝封因素表面好品質。不過,在選DDS時,還想要按照詳細的軟件要求、成本費用概算、企業品牌群體行為等緣由實行宗合考慮到。
DS852形態
高精確度:
速率調諧識別比率32位。
波幅分別率有11位。
高速公路的性能:
秒表速度能夠達到2.5 GHz。
在2.2 GHz秒表頻次下,能添加親近1.1 GHz的正弦交流電波。
智能化性:
可使用微把控好器或DSP集成電路芯片進行實時的調節。
更具快速選通發送,能接受幾率字和DAC傷害率的高速 刷新。
模擬輸出特質:
帶50Ω背影終的同質虛擬仿真波型讀取。
最爛SFDR(無雜散動態圖范圍圖)不低于50 dBc。
顯卡功耗與打包封裝:
獨立-5.0V電源開關的額定功率為3.0W。
適用64針QFN裝封。

與另一個產品或尺寸的比
控制精度與功效:
各不相同品牌形象和規格型號的DDS在精確和耐熱性上能夠有差異性。舉個例子,一下品質材質能夠兼有高些的平率調諧辯別率和振動幅度辯別率,可能高些的數字時鐘平率和余弦波合成意識。
DS852其所高要求和高速的效果被譽,但在主要操作中有可能要依據標準確定更最合適的主要參數。
模塊與靈化學活化高性:
各個DDS具體型號查詢在特點和敏銳性上也也許 有一定的多種。譬如,部分具體型號查詢也許 認可很多的調配方式方法、都具有更極為豐富的接口標準頁面設置或認可更復雜性的操縱邏輯推理。
DS852可以通過微掌握器或DSP集成ic實現實時公交管控的學習能力使其在哪些 廣泛應用中擁有優勢可言,但其它技術參數有可能也具備著這樣或更龐大的特點。
料工費與快速可用性:
成本投入是取舍DDS需要要考慮一下的注重原則之六。多種產品品牌和材質的DDS在房價上應該具有巨大對比,這但關鍵在于于其耐熱性、模塊、封裝類型的方式或是生產銷售規模化等基本要素。
DS852身為EUVIS國新產品脾的新產品,其成本費用和快速可用性也許 受該國新產品脾市場中營銷策略、供應信息鏈服務管理和研發能力素質的會影響。
封裝與集成化度:
裝封方法對DDS的整合度和應運敏銳性有著為重要影向。差異款型的DDS應該使用有差異 的芯片封裝表現形式,如QFN、QFP、BGA等。
DS852選取的64針QFN打包封裝使其比較合適密度高單位融合和寬敞的app場合。
廣州市立維創展科技創新是EUVIS的批發商經售商,主要是提拱EUVIS的中國著名的快速數模轉成DAC、直接性數子頻帶寬度結合器DDS、復接DAC的集成塊級產品,各種高速度數據采集板卡、最新正弦波形形成器等產品,原版外盤,價格競爭優勢,誠邀詳詢。
上一篇: 高速模數轉換器ADC時鐘極性與啟動時間