行業中訊息
發布消息時間間隔:2025-01-09 15:36:48 搜素:802
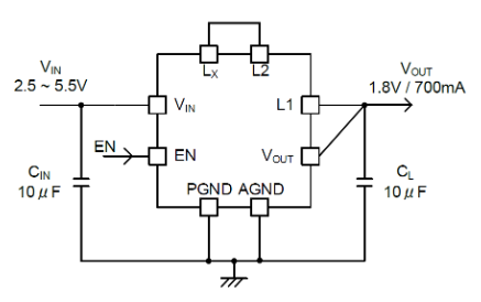
XCL244系列表是電感線圈和控制IC一起型的超大型,超薄型型(2.25mm x 1.5mm,h=0.75mm)降血壓DC/DC轉移器。
XCL244款型減壓DC/DC換為器只需在外部結構元器上加入兩只瓷磚濾波電貯槽就能新創建主機電源電線。嵌入初級線圈整合了方式板選址,并極大殘留量變少了因元器擺置和接線頭而引發的故章和燥音。打印輸出電壓值可在0.8V至3.6V范疇內以0.05V相隔參與有效設有。
HiSAT-COT的控制的穩定瞬態出錯技術水平會在電機負載起伏較大階段將輸出的工作電壓降至至少,越來越適用FPGA和是需要輸出的輸出功率穩固性的環保設備等瞬時電機負載動蕩巨大的采用。
(*)HiSAT-COT是TOREX為DC/DC轉化成器護膚品而獨自一人研制的高速度瞬態加載新技術。最選在需要高緊密已經高穩定可靠度24v電源電流值的集成系統線路。
特征英文
手機輸入輸出功率區域:2.5V ~ 5.5V
輸出端電壓:0.80V ~ 1.00V (±20mV);1.05V ~ 3.60V (±2.0%);
頻點面積:3.0MHz
輸入輸出電流大小:700mA
感應電流耗費:25μA
效應:83%(VIN=3.8V,VOUT=1.8V,IOUT=400mA)
操控策略:HiSAT-COT把控好,PWM/PFM主動調整;
養護優點:
熱關閉系統
電壓電流限制
短路等問題保護措施
的功能:
軟無法
UVLO
CL尖端放電
電感器:兼容瓷磚電感器
操作溫濕度:-40℃~105℃
河南市立維創展科技平臺受限平臺資源優勢包銷TOREX交流電源功率器件,多期貨存儲,熱烈歡迎咨詢了解。。

材質 | 類形 | 的輸出相電壓 | 操作速度 | 二極管封裝 |
XCL244B083D2-G | 軟無法時候:0.3ms | 0.8V | 3.0MHz | USP-8B04 |
XCL244B0L3D2-G | 軟啟時時光:0.3ms | 0.85V | 3.0MHz | USP-8B04 |
XCL244B093D2-G | 軟重啟時間:0.3ms | 0.9V | 3.0MHz | USP-8B04 |
XCL244B0M3D2-G | 軟開啟時光:0.3ms | 0.95V | 3.0MHz | USP-8B04 |
XCL244B103D2-G | 軟無法準確時間:0.3ms | 1V | 3.0MHz | USP-8B04 |
XCL244B1A3D2-G | 軟開機期限:0.3ms | 1.05V | 3.0MHz | USP-8B04 |
XCL244B113D2-G | 軟重啟精力:0.3ms | 1.1V | 3.0MHz | USP-8B04 |
XCL244B1B3D2-G | 軟再啟動時間段:0.3ms | 1.15V | 3.0MHz | USP-8B04 |
XCL244B123D2-G | 軟啟動器服務器日子:0.3ms | 1.2V | 3.0MHz | USP-8B04 |
XCL244B1C3D2-G | 軟發動用時:0.3ms | 1.25V | 3.0MHz | USP-8B04 |
XCL244B133D2-G | 軟開機期限:0.3ms | 1.3V | 3.0MHz | USP-8B04 |
XCL244B1D3D2-G | 軟啟動器的時長:0.3ms | 1.35V | 3.0MHz | USP-8B04 |
XCL244B143D2-G | 軟通電用時:0.3ms | 1.4V | 3.0MHz | USP-8B04 |
XCL244B1E3D2-G | 軟發動用時:0.3ms | 1.45V | 3.0MHz | USP-8B04 |
XCL244B153D2-G | 軟打火的時間:0.3ms | 1.5V | 3.0MHz | USP-8B04 |
XCL244B1F3D2-G | 軟開始時刻:0.3ms | 1.55V | 3.0MHz | USP-8B04 |
XCL244B163D2-G | 軟啟動器時的時間:0.3ms | 1.6V | 3.0MHz | USP-8B04 |
XCL244B1H3D2-G | 軟起動時間段:0.3ms | 1.65V | 3.0MHz | USP-8B04 |
XCL244B173D2-G | 軟啟動器時時間:0.3ms | 1.7V | 3.0MHz | USP-8B04 |
XCL244B1K3D2-G | 軟開始準確時間:0.3ms | 1.75V | 3.0MHz | USP-8B04 |
XCL244B183D2-G | 軟重新啟動準確時間:0.3ms | 1.8V | 3.0MHz | USP-8B04 |
XCL244B1L3D2-G | 軟發動日期:0.3ms | 1.85V | 3.0MHz | USP-8B04 |
XCL244B193D2-G | 軟起動的時長:0.3ms | 1.9V | 3.0MHz | USP-8B04 |
XCL244B1M3D2-G | 軟重啟時長:0.3ms | 1.95V | 3.0MHz | USP-8B04 |
XCL244B203D2-G | 軟再啟動時光:0.3ms | 2V | 3.0MHz | USP-8B04 |