產業內容
發布消息周期:2024-12-04 17:08:25 觀看:810
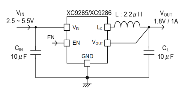
XC9286系統是款嵌到P激光切割端面驅使FET和N內孔驅動程序FET的1.0A同部整流降血壓DC/DC更換器。
XC9286品類減壓微信同步整流DC/DC改變器所在輸出功率是可以在 0.8V 至 3.6V 的范圍當中以 0.05V 連續做出根據設制。僅有的 外部安裝是電感初級線圈和濾波電儲罐。
HiSAT-COT遠程操作的快速瞬態響應的技術應用是可以在根據諧振哺乳期間將輸入電阻值減到低點,特意合適FPGA和需要輸出的直流電壓正規性的設施設備等瞬時根據振幅更大的廣泛應用方向。
基于用,能夠 確認 SOT-25 和 USP-6C 填入擇芯片封裝。

結構特征
發送電壓降 2.5V ~ 5.5V
內容輸出額定電壓依據 0.8V~ 3.6V (±2.0%)
輸送功率 1.0A
頻段位置 1.2MHz
速率 92%
(VIN=3.8V,VOUT=1.8V,IOUT=200mA)
直流電壓消耗 15μA
制動系統方式方法 HiSAT-COT把控
PWM/PFM自動式變動控制車
保護區裝置 熱關斷
直流電壓受限
不導通護理(B型)
功效 軟打火
UVLOCL充放(B型)
投入輸入電容器 兼容瓷質電阻
工作中水溫 -40℃ ~ 105℃
珠海市立維創展科技產業有限制平臺好處分銷管理TOREX外接電源集成電路芯片,不少現貨黃金存貨,邀請咨詢了解。
技術參數 | 類 | 的輸出電壓值 | 運作規律 | 封口 |
| XC9286A08CMR-G | 無CL蓄電池充電,無斷路保證 | 0.8V | 1.2MHz | SOT-25 |
| XC9286A0LCMR-G | 無CL釋放電能,無短路故障養護 | 0.85V | 1.2MHz | SOT-25 |
| XC9286A09CMR-G | 無CL發出電,無虛接庇護 | 0.9V | 1.2MHz | SOT-25 |
| XC9286A0MCMR-G | 無CL自放電,無發生故障保證 | 0.95V | 1.2MHz | SOT-25 |
| XC9286A10CMR-G | 無CL釋放,無斷路保護區 | 1V | 1.2MHz | SOT-25 |
| XC9286A1ACMR-G | 無CL擊穿,無不導通保護的 | 1.05V | 1.2MHz | SOT-25 |
| XC9286A11CMR-G | 無CL釋放,無漏電保護 | 1.1V | 1.2MHz | SOT-25 |
| XC9286A1BCMR-G | 無CL電池充電,無不導通保障 | 1.15V | 1.2MHz | SOT-25 |
| XC9286A12CMR-G | 無CL釋放,無發生故障自我保護 | 1.2V | 1.2MHz | SOT-25 |
| XC9286A1CCMR-G | 無CL釋放電能,無出現短路保護英文 | 1.25V | 1.2MHz | SOT-25 |
| XC9286A13CMR-G | 無CL自放電,無過壓護理 | 1.3V | 1.2MHz | SOT-25 |
| XC9286A1DCMR-G | 無CL釋放電能,無漏電保證 | 1.35V | 1.2MHz | SOT-25 |
| XC9286A14CMR-G | 無CL電池充電,無跳閘保護英文 | 1.4V | 1.2MHz | SOT-25 |
| XC9286A1ECMR-G | 無CL蓄電池放電,無過壓保護措施 | 1.45V | 1.2MHz | SOT-25 |
| XC9286A15CMR-G | 無CL釋放,無不導通保護好 | 1.5V | 1.2MHz | SOT-25 |
| XC9286A1FCMR-G | 無CL釋放電能,無發生故障防護 | 1.55V | 1.2MHz | SOT-25 |
| XC9286A16CMR-G | 無CL釋放,無虛接保護好 | 1.6V | 1.2MHz | SOT-25 |
| XC9286A1HCMR-G | 無CL尖端放電,無串電養護 | 1.65V | 1.2MHz | SOT-25 |
| XC9286A17CMR-G | 無CL蓄電池充電,無虛接保養 | 1.7V | 1.2MHz | SOT-25 |
| XC9286A1KCMR-G | 無CL擊穿,無短路等問題保護性 | 1.75V | 1.2MHz | SOT-25 |
| XC9286A18CMR-G | 無CL釋放電能,無燒壞確保 | 1.8V | 1.2MHz | SOT-25 |
| XC9286A1LCMR-G | 無CL擊穿,無跳閘呵護 | 1.85V | 1.2MHz | SOT-25 |
| XC9286A19CMR-G | 無CL釋放,無發生故障保證 | 1.9V | 1.2MHz | SOT-25 |
| XC9286A1MCMR-G | 無CL充放電,無短路故障保護區 | 1.95V | 1.2MHz | SOT-25 |
| XC9286A20CMR-G | 無CL擊穿,無燒壞保養 | 2V | 1.2MHz | SOT-25 |