服務業資迅
披露日子:2023-08-01 16:37:22 手機瀏覽:6650
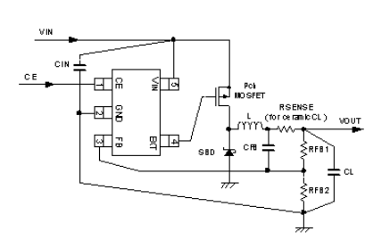
TOREX的XC9221系類是多功用減壓DC/DC把控器IC。給該集成塊外觀選用是本身電源開關最大功率器件,是本身最大功率電感,是本身一級管和的兩個電容(電容器)就能獲取是本身有效果率,對應可靠的,輸出的工作電流高至3A的旋鈕直流穩壓電源。能運行低ESR電感(電感器)諸如工業陶瓷電感(電感器)用來其輸出精度電感(電感器)。
XC9221系統掌控器有0.9V(±1.5%)基準線崗位電壓值,通過外置監測內阻就能夠隨心所欲因素所在崗位電壓值。崗位頻繁為300kHz,500kHz和1MHz,
XC9221全系列把控好器能應用小中型型外觀電子器件。根據軟起動時間表,XC9221A和C款型是組織結構快速設置為4ms,XC9221B和D產品系列可能在外觀沒置。XC9221系列產品抑制器具備內置的UVLO(欠壓鎖閉)的實用性,當輸進工作電壓減至2.3V或更低原因下,外邊的P激光切割端面觸點開關器材也會被強迫性關掉。
基本特征
運行輸出功率規模:2.8V~16.0V
傳輸電壓值外面調整:0.9V(更準度±1.5V)
運作頻段:300k,500k,1.0MHz
調控方案:PWM/PFM自動化再啟動控制
帶軟重新啟動因素:內部組織人設4ms(TypeA500kHz),外表調整(TypeB)
虛接養護:會員積分養護1.0ms(A,B方式),串電保護英文
低ESR電阻:瓷質電阻
TOREX光電器件主要是提供數據COMS、調節器器、整流二極管等元部件,商品以小量、穩定性優秀而最牛。
武漢市立維創展信息技術有限我司英文我司,優勢與劣勢包銷TOREX供電元器,一大批現貨平臺庫存積壓,追捧進行合作。
具體詳情知道TOREX請超鏈接://www.zhixianguangzhou.com.cn/brand/62.html

型號查詢 | Type | Output Voltage | Oscillation Frequency | Packages |
XC9221A093ER-G | Soft-start internally set with integral protection function | FB type | 300kHz | USP-6C |
XC9221A093MR-G | Soft-start internally set with integral protection function | FB type | 300kHz | SOT-25 |
XC9221A095ER-G | Soft-start internally set with integral protection function | FB type | 500kHz | USP-6C |
XC9221A095MR-G | Soft-start internally set with integral protection function | FB type | 500kHz | SOT-25 |
XC9221A09AER-G | Soft-start internally set with integral protection function | FB type | 1.0MHz | USP-6C |
XC9221A09AMR-G | Soft-start internally set with integral protection function | FB type | 1.0MHz | SOT-25 |
XC9221B093ER-G | Soft-start externally set with integral protection function | FB type | 300kHz | USP-6C |
XC9221B093MR-G | Soft-start externally set with integral protection function | FB type | 300kHz | SOT-25 |
XC9221B095ER-G | Soft-start externally set with integral protection function | FB type | 500kHz | USP-6C |
XC9221B095MR-G | Soft-start externally set with integral protection function | FB type | 500kHz | SOT-25 |
XC9221B09AER-G | Soft-start externally set with integral protection function | FB type | 1.0MHz | USP-6C |
XC9221B09AMR-G | Soft-start externally set with integral protection function | FB type | 1.0MHz | SOT-25 |
XC9221C093ER-G | Soft-start internally set without integral protection function | FB type | 300kHz | USP-6C |
XC9221C093MR-G | Soft-start internally set without integral protection function | FB type | 300kHz | SOT-25 |
XC9221C095ER-G | Soft-start internally set without integral protection function | FB type | 500kHz | USP-6C |
XC9221C095MR-G | Soft-start internally set without integral protection function | FB type | 500kHz | SOT-25 |
XC9221C09AER-G | Soft-start internally set without integral protection function | FB type | 1.0MHz | USP-6C |
XC9221C09AMR-G | Soft-start internally set without integral protection function | FB type | 1.0MHz | SOT-25 |
XC9221D093ER-G | Soft-start externally set without integral protection function | FB type | 300kHz | USP-6C |
XC9221D093MR-G | Soft-start externally set without integral protection function | FB type | 300kHz | SOT-25 |
XC9221D095ER-G | Soft-start externally set without integral protection function | FB type | 500kHz | USP-6C |
XC9221D095MR-G | Soft-start externally set without integral protection function | FB type | 500kHz | SOT-25 |
XC9221D09AER-G | Soft-start externally set without integral protection function | FB type | 1.0MHz | USP-6C |
XC9221D09AMR-G | Soft-start externally set without integral protection function | FB type | 1.0MHz | SOT-25 |