這個行業資迅
發布新聞事件:2023-08-03 16:49:46 瀏覽器:6290
與離散瓦數版塊相信較,SILERGY矽力杰供電信息模塊的體型降低了90%。SQ76002AQNC會避免寄生菌電感/電解電容,升級業務質量,抑制數據失幀。SQ76002AQNC必備條件不強的散熱器抗打擾信號功能和3d裝封組織形式功能,必備條件優質的抗打擾信號效率。中頻激振和生活環境適宜性強。
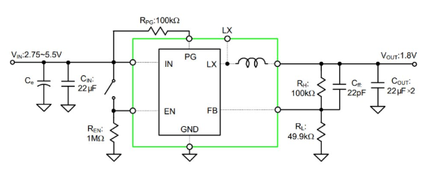
SQ76002AQNC支持于兩款3MHz、2A同歩穩壓電源穩壓器,SQ76002AQNC在那個中中型二極管封裝(3.0mm×3.0mm,H=1.1mmmax)中ibms化電感和管理集成電路芯片。SQ76002AQNC高效性率,3MHz,2A嵌入式電感關聯降血壓穩壓電源。

表現形式
內外電源開關(表層/最下面)的低RDS(ON):40mΩ/20mΩ
2.75~5.5V復制粘貼電流電壓超范圍
3MHz電源開關次數最主要幅度以減少了外部鏈接元件
的內部軟啟用制約浪涌直流電
2A持續打出感應電流性
關機模式,需要量<0.1μA電源模塊工作電流
100%Dropout操作方法
電充分表示燈
過流保護/欠壓更改/過溫保護好
達到RoHS要求且無鹵素燈泡
緊身型芯片封裝:QFN3×3-10
SILERGY(矽力杰)主要制作電原處理芯片、電原信息模塊等虛擬電子元器件。由SQ76002AQNC價高,交貨長,銷售市場推建pin to pin原位換用SQ76002AQNC,混用型號規格為:MUN3CAD03-SF,MUN3CAD03-SF提高效率DC/DC電原接口。在2.75V和5.5V搜索工作電流值領域內的根據工作電流高至3A。MUN3CAD03-SF開關按鈕頻繁 為3.0MHz,用于所提拱的模快可確保高至90%的速度。現貨交易優勢與劣勢價,青睞在線咨詢。
商品詳情頁熟知MUN3CAD03-SF請點一下://www.zhixianguangzhou.com.cn/article/3099.html