產業最新資訊
上線時間:2023-07-18 16:52:09 訪問 :1476
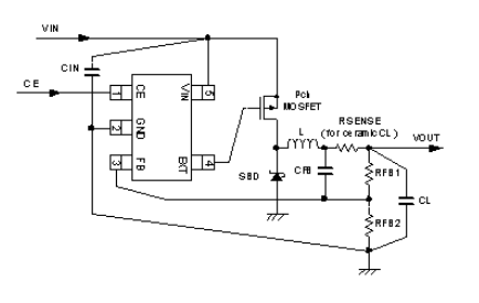
TOREX把控器XC9220系是多工作降血壓DC/DC掌控器IC。給XC9220全系列把握器內部標準配置一些面板開關元器件,一些瓦數電感,一些二次元管和兩人電阻能夠拿到一些高學習效率的率,相比較比較穩定的,輸出的電流大小高至3A的旋轉開關24v電源。XC9220系列的調整器能施用低ESR電解電解電感舉列瓷器電解電解電感代替它的輸出電解電解電感。
XC9220款型操縱器帶個0.9V(±1.5%)基點端交流電壓,所采用外置分光電探測器阻就能能簡單設有讀取端交流電壓。頻點依據為300kHz,500kHz和1MHz,能利用中小企業型 外部元配件。相對 軟開啟時候,XC9220A和C系列表是內外放置為4ms,XC9220B和D編還可以在外接設計。XC9220系列作品的調節器有內嵌UVLO(欠壓鎖閉)耐磨性,當手機輸入工作電壓降為2.3V或較低的條件下,外觀P外圓按鈕元器件封裝會被強行性取消。

有特點
本職功耗電流面積:2.8V~16.0V
效果電壓降內部設計:0.9V(精密度計算公式±1.5V)
次數范圍內:300k,500k,1.0MHz
保持手段:PWM控住
帶軟開啟穩定性:外部快速設置4ms(TypeA500kHz),內部設制(TypeB)
保障電線:積分保障1.0ms(A,B類行),過壓守護
低ESR電容(電容器)器:陶瓷制品電容(電容器)器
TOREX半導大部分給出COMS、傳調節器器、整流二極管等元元器,護膚品以小比熱容、性能參數優異而有名氣。
廣州 市立維創展社會十分有限裝修公司,主要優勢二級分銷TOREX開關電源元器件封裝,不少現貨平臺交易量,歡迎語媒體合作。
寶貝詳情理解TOREX請點開://www.zhixianguangzhou.com.cn/brand/62.html
應用 | Type | Output Voltage | Oscillation Frequency | Packages |
XC9220A093ER-G | Soft-start internally set with integral protection function | FB type | 300kHz | USP-6C |
XC9220A093MR-G | Soft-start internally set with integral protection function | FB type | 300kHz | SOT-25 |
XC9220A095ER-G | Soft-start internally set with integral protection function | FB type | 500kHz | USP-6C |
XC9220A095MR-G | Soft-start internally set with integral protection function | FB type | 500kHz | SOT-25 |
XC9220A09AER-G | Soft-start internally set with integral protection function | FB type | 1.0MHz | USP-6C |
XC9220A09AMR-G | Soft-start internally set with integral protection function | FB type | 1.0MHz | SOT-25 |
XC9220B093ER-G | Soft-start externally set with integral protection function | FB type | 300kHz | USP-6C |
XC9220B093MR-G | Soft-start externally set with integral protection function | FB type | 300kHz | SOT-25 |
XC9220B095ER-G | Soft-start externally set with integral protection function | FB type | 500kHz | USP-6C |
XC9220B095MR-G | Soft-start externally set with integral protection function | FB type | 500kHz | SOT-25 |
XC9220B09AER-G | Soft-start externally set with integral protection function | FB type | 1.0MHz | USP-6C |
XC9220B09AMR-G | Soft-start externally set with integral protection function | FB type | 1.0MHz | SOT-25 |
XC9220C093ER-G | Soft-start internally set without integral protection function | FB type | 300kHz | USP-6C |
XC9220C093MR-G | Soft-start internally set without integral protection function | FB type | 300kHz | SOT-25 |
XC9220C095ER-G | Soft-start internally set without integral protection function | FB type | 500kHz | USP-6C |
XC9220C095MR-G | Soft-start internally set without integral protection function | FB type | 500kHz | SOT-25 |
XC9220C09AER-G | Soft-start internally set without integral protection function | FB type | 1.0MHz | USP-6C |
XC9220C09AMR-G | Soft-start internally set without integral protection function | FB type | 1.0MHz | SOT-25 |
XC9220D093ER-G | Soft-start externally set without integral protection function | FB type | 300kHz | USP-6C |
XC9220D093MR-G | Soft-start externally set without integral protection function | FB type | 300kHz | SOT-25 |
XC9220D095ER-G | Soft-start externally set without integral protection function | FB type | 500kHz | USP-6C |
XC9220D095MR-G | Soft-start externally set without integral protection function | FB type | 500kHz | SOT-25 |
XC9220D09AER-G | Soft-start externally set without integral protection function | FB type | 1.0MHz | USP-6C |
XC9220D09AMR-G | Soft-start externally set without integral protection function | FB type | 1.0MHz | SOT-25 |