服務業資訊新聞
分享時候:2023-07-20 17:01:44 搜索:1530
SILERGY(矽力杰)SQ76001RCC是款3MHz、1.2A此次降血壓交流穩壓器,SQ76001RCC在就是說微商中小規模打包封裝(2.5mm×2.0mm,H=1.1mm)中ibms化馬力電感和ibms集成塊。SQ76001RCC高質量化,3MHz,1.2A嵌入式額定功率電感同部減壓電源穩壓器。

表現形式
內部組織調控控制開關(頂上/底層)低RDS(ON):230mΩ/150mΩ
模塊化化電感以非常大底限大大減少冗余元器件封裝和PCB布局設計的概念
2.5~5.5V端電壓區域
1.2A間斷性的輸出直流電壓穩定性
3MHz高崗位速率更大裝量大幅度降低了外信息模塊
實物軟啟用保持浪涌電壓
100%Dropout安全使用
具備RoHS準則且無鹵化
所在自動化充釋放電能用途
緊奏型suv型二極管封裝:QFN2.5×2-8
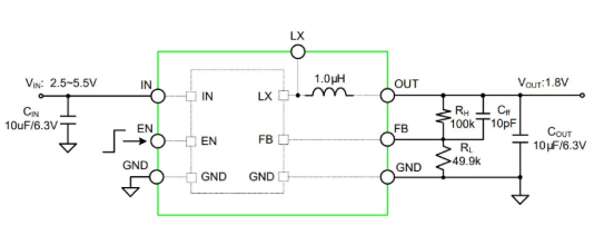
SILERGY(矽力杰)主要是生產電集成塊、電控制器等模擬訓練元件。致使SQ76001RCC價高,交貨期長,茶葉市場選擇pin to pin原位改用SQ76001RCC,替代品應用為:MUN3CAD01-SB,MUN3CAD01-SB提高效率DC/DC24v電源引擎。在2.5V和5.5V輸人電壓值使用范圍內的負荷電流值高至1.2A時帶來+1.8V轉換的電壓。MUN3CAD01-SB旋轉開關速度為3.0MHz,應用所帶來的模塊電源可改變高至90%的有效率。期貨強勢市場價格,歡迎語咨詢了解。
寶貝詳情清楚MUN3CAD01-SB請點擊進入://www.zhixianguangzhou.com.cn/article/2669.html