業內方式
披露周期:2023-05-06 17:04:19 搜索:1440
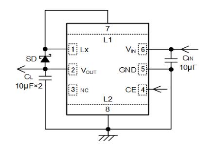
TOREX電源模塊XCL301系列是種內嵌P端面驅動晶體管的負電壓輸出micro DC/DC轉換器。通過調節IC與線圈一體化,能夠實現微型化,僅需在外部增加肖特基二極管與電容器,就能夠搭建不占用空間的電源。XCL301系列轉換器額定電壓為2.7V~5.5V。輸出電壓已設置成-3.3V(精密度±2.0%)。
XCL301品類轉變成器電腦運行格局為PFM/安全關機重啟時候PWM會自動整改反控,借助在小過載(輕載)時將頂目從增強重新啟動時PWM控制車轉變至PFM操縱,在小電動機扭矩(輕載)至大電動機扭矩(載重車)的縱向電動機扭矩比率將做到有目的,最常用強調小電動機扭矩(輕載)下的高效、性價比最高率的環保的設備和在電芯消耗的環保的設備。
XCL301系列產品轉移器按照在待機時解除建筑體電原控制電路,將冗余材料耗費電流值的限制在0.1μA(TYP.)下述。因內置(交流電源)填寫欠壓鎖閉(Under Voltage Lock Out)耐熱性,當鍵入相電壓小于欠壓鎖閉電鍛煉身體,會強制性推行組織結構P端口動力結晶體管。除此模版,UVLO驗測電流電壓為2.2V(TYP.)。
XCL301全系列準換器因內嵌式CL釋放電能效果,按照在待機時,已經打響VOUT-VIN間的內部按鈕開關,將選取內電阻功率盡情釋放CL的正電荷。用這樣的電流效能,就可以將輸出電壓降電壓降在短時間恢復功能到GND電平。

特別
鍵入電流值:2.7V~5.5V
導出線電壓:-3.3V
內容輸出電阻值誤差:±2.0%
最大化傷害感應電流:-50mA@VOUT=-3.3V, VIN=3.3V (TYP)
原帶控制器:1.3Ω (Pch推動器)
耗電量電流大小:40μA (TYP.)
抑制的方法:PFM / 固定住自動關機期限PWM 一鍵變換調控
盡快負載電阻瞬態反應:-50mV(VIN=3.3V,VOUT=-3.3V,IOUT=1mA→50mA)
PFM轉換開關電流量:550mA
功效:
過流自我保護功能模塊
軟啟時瞬時電流限止基本功能
CL主動蓄電池充電技能
UVLO
陶瓷廠家電解電容
工做室溫范圍之內:-40℃~+85℃
適應能力健康規定:與EU RoHS標準代表、無鉛
TOREX光電器件一般提供了COMS、傳紅外感應器器、二級管等元配件,廠品以小體型、特性優異而最有名氣的。
珠海市市立維創展科技信息有效我司,好處渠道分銷TOREX電源開關元器件,巨大外盤倉庫,受歡迎配合。
商品詳情知道TOREX請點一下://www.zhixianguangzhou.com.cn/brand/62.html