HMC1086F10氮化鎵(GaN) MMIC馬力變成器10引腳法蘭部打包封裝 ADI現貨平臺
公布的用時:2018-06-22 16:28:05 閱讀:7065
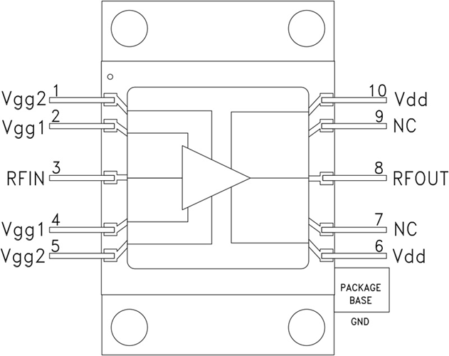
HMC1086F10是一個款25W氮化鎵(GaN) MMIC電率放小器,事業頻繁 面積為2至6 GHz,進行10引腳蝶閥法蘭貼裝芯片封裝。 該放小器常見給予23 dB小訊號收獲,+44.5 dBm飽滿傳輸電率,在+33 dBm傳輸電率/訊號音下,給予+46 dBm傳輸IP3。 該放小器進行+28V整流24v電源的靜止額定功率為1,100 mA。 隔直RF I/O輸入至50 Ω,實用不便。
|
品牌
|
型號
|
描述
|
貨期
|
庫存
|
|
ADI
|
HMC1086F10
|
25 W GaN法蘭貼裝MMIC功率放大器,2 - 6 GHz
|
現貨
|
230
|
HMC1086F10用
HMC1086F10優勢和特點
-
高Psat: +44.5 dBm
-
Psat下功率增益: 11 dB
-
高輸出IP3: +46 dBm
-
小信號增益: 23 dB
-
電源電壓: +28V (1100 mA)
-
50 Ω匹配輸入/輸出
-
10引腳法蘭封裝
HMC1086F10結構圖
