HMC7149/HMC7149-SX氮化鎵(GaN) MMIC電率變成器 ADI現貨交易代銷商
披露用時:2018-06-22 16:02:59 瀏覽網頁:2370
HMC7149有的是款10W氮化鎵(GaN) MMIC運轉電率變大器,運轉幾率區間為6至18 GHz。 一般來說具體情況下,該變大器提高20 dB的小預警增加收益、+40 dBm的呈現飽和狀態輸出運轉電率并且+39.5 dBm的輸出IP3(每預警音+28 dBm輸出運轉電率時)。 采取+28V整流電源版塊時,HMC7149的耗電為680 mA。 RF I/O切換至50 Ω,還可以省事一體化到多IC存儲處理器版塊(MCM)中。 其他電器能力動態數據均實現電器連結至鋼板厚度為1.02 mm (40 mil)的CuMo質粒載體的IC存儲處理器讀取,而多種口徑為1.0 mil的焊線連結IC存儲處理器至50 ?氧化物鋁互傳電纜線。
|
品牌
|
型號
|
描述
|
貨期
|
庫存
|
|
ADI
|
HMC7149
HMC7149-SX
|
10 W GaN MMIC功率放大器,6 - 18 GHz
|
現貨
|
100
|
HMC7149app
HMC7149優勢和特點
-
高Psat: +40 dBm
-
Psat時的功率增益: +10 dB
-
高輸出IP3: +39.5 dBm
-
小信號增益: 20 dB
-
電源電壓: +28V (0.680 A)
-
50 Ω匹配輸入/輸出
-
芯片尺寸: 3.4 x 4.5 x 0.1 mm2
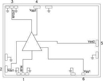
HMC7149結構圖
