HMC7357LP5GE/HMC7357LP5GETR一般工作功率放小器頻點5.5至8.5 GHz ADI外盤
發布新聞時光:2018-06-22 16:06:19 閱覽:2624
HMC7357不是款一級GaAs pHEMT MMIC一般功效調大器,崗位規律范圍圖為5.5至8.5 GHz。 該調大器的增益控制為29 dB,是處于是處于飽和狀態狀態輸入打出功效為+35 dBm,PAE為34%,電額定電壓為+8V。 HMC7357給予+41.5 dBm的出眾的輸入打出IP3耐磨性,十分時候直線運用,如高容積點對點通信和點對多一些無限電或VSAT/SATCOM運用——同類運用要具備+35 dBm的更高效是處于是處于飽和狀態狀態輸入打出功效。 RF I/O的內部相匹配至50 Ω,運用便捷。 HMC7357分為無鉛5x5 mm朔料表貼封口,與表貼加工制造新技術兼容。
|
品牌
|
型號
|
描述
|
貨期
|
庫存
|
|
ADI
|
HMC7357
|
GaAs pHEMT MMIC 2 W功率放大器,5.5 - 8.5 GHz
|
現貨
|
120
|
HMC7357LP5GE應用
-
點對點無線電
-
點對多點無線電
-
VSAT和SATCOM
HMC7357LP5GE優勢和特點
-
Pout:+35 dBm (34% PAE)
-
高P1dB輸出:+34 dBm
-
高輸出IP3: +41.5 dBm
-
高增益: 29 dB
-
50 Ω匹配輸入/輸出
-
電源電壓: Vdd = 8V (1200 mA)
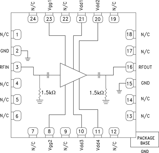
HMC7357LP5GE結構圖
