HMC7441/HMC7441-SX三級GaAs pHEMT輸出變小器 ADI現貨交易加盟商
發布公告用時:2018-06-21 15:39:47 觀看:2801
HMC7441就是一款兩級GaAs pHEMT電機工率放小器,運作率規模為27.5至31 GHz。 該放小器的增益控制為23 dB,供大于求工作傳輸電機工率為+34 dBm,PAE為25%,開關電源電流值為6V。 HMC7441提高+38 dBm的出眾的工作傳輸IP3性,是非常最合適線形應運,就比如Ka頻段VSAT、高儲存量一對一或點對多一點無線數字電——相似應運規范要求兼備+34 dBm的極有效率供大于求工作傳輸電機工率。 RF I/O隔直并搭配至50 Ω,還可以便捷整合到多集成電路集成塊傳感器(MCM)中。 全部的數劇均采取50 Ω公測工裝治具中的集成電路集成塊精確測量,該工裝治具采用一點直徑怎么算為0.025mm (1 mil)、長短為0.31 mm (12 mil)的焊線接觸。
|
品牌
|
型號
|
描述
|
貨期
|
庫存
|
|
ADI
|
HMC7441
HMC7441-SX
|
GaAs pHEMT MMIC 2 W功率放大器,27.5 - 31 GHz
|
現貨
|
36
|
運用
-
點對點無線電
-
點對多點無線電
-
VSAT和SATCOM
-
軍事和太空
優勢可言和特質
-
飽和輸出功率:
++34 dBm (25% PAE)
-
高輸出IP3: +38 dBm
-
高增益: 23 dB
-
直流電源: +6V (1,000 mA)
-
無需外部匹配
-
芯片尺寸: 3.18 x 2.84 x 0.1 mm
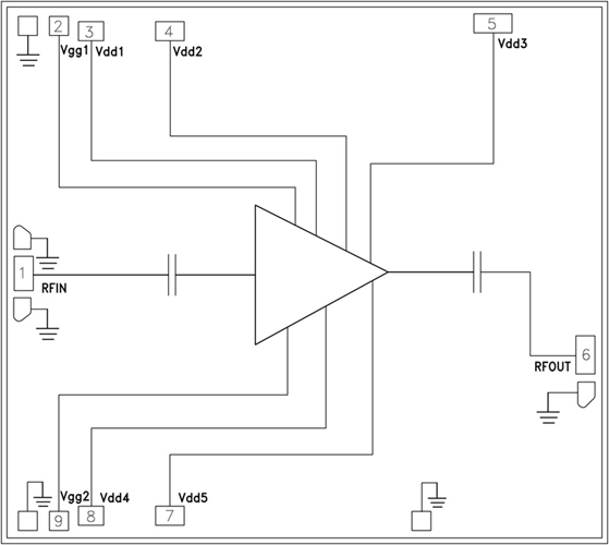
構成圖
