相關行業新聞資訊
發布了用時:2025-08-28 15:04:32 瀏覽訪問:22
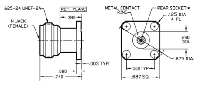
312-04SF是SOUTHWEST華北徽波(Southwest Microwave)五金機械級 N 型母頭活套法蘭裝有相電源連接器,選使用在 DC–18 GHz 帶寬場合。殼子不繡鋼電燙金防腐處理,基地導體鈹銅電燙金,使用 0.085" 半剛/柔電覽。全頻段 VSWR ≤1.25:1,插損 <0.1dB(10GHz),熱效率 200W,工作溫度 -55°C 至 +165°C,500 次插拔不穩定性,必選密封性封裝形式,達到軍標及航空工業實名認證,適用以于航空工業、相控陣無線天線等高可信教育領域。
性能指標參數表:
? 頻段:DC–18 GHz
? 法蘭部:0.687" 方 4 孔不變
? 容忍中針截面積:0.036"
? VSWR:1.15:1(具代表性值)
? 溫暖:-55 °C ~ +165 °C
? 供選擇密封性芯片封裝,合適 MIL-STD-348 接頭規定
不間斷的性能:
電壓值駐波比(VSWR):直式 ≤1.15(6 GHz 時),彎式 ≤1.25(6 GHz 時)。
放進去損耗量:≤0.24 dB(6 GHz 時)。
耐電流電壓:2500 V rms;事業的電壓:1000 V rms。
接觸的面積電容:服務中心沾染阻值 ≤1 mΩ,外導體電阻器 ≤1 mΩ。
絕緣性內阻:≥5000 MΩ。
自動化機械使用性能:
藕合方式英文:5/8-24 英制螺紋聯接,保持振蕩生活環境下的維持性。
保證力:≥6 lbs(平臺導體)。
機器生命周期:≥500 次插拔(操作鈹銅接處件時)。

條件適用于性:
耐結垢性:滿足 MIL-STD-202 Method 101 原則。
振動式:MIL-STD-202 Method 204 測試進行。
設備構造與物料
殼子利用鋼和 CRES 鎳鋼 UNS S30300,接點進行鈹銅 (BeCu) UNS C17300。
介電建筑材料為純 PTFE 氟碳裝修材料,平臺打交道獵取安全使用較高溫度 Ultem 1000。
主體結構:純銅鍍鎳,面上進行處理耐腐燭。
核心針:銅合金燙金,狠抓低接觸性阻值與曾多次插拔穩判定高性。
絕緣性體:聚四氟丁二烯(PTFE)或聚裝修甲醛(POM),低耗費、耐常溫。
蝶閥法蘭盤:4 孔四方形制定,孔距 0.531",更換原則 0.750" 方腔或加印板。
界面與瀏覽器兼容性:
拼接器接口協議貼合 MIL-STD-348 標準規范,具備凸出鋁合金與地面環,做到 360° 五金制與五金制沾染。
可與同一貼合 MIL-STD-348 基準的微波射頻器件兼容。
技術場景應用中
網絡通信系統軟件:
全向天線、基站天線、真實傷害/主動權移動通信基站元件。
廣播網網上、WIFI 系統、系統對系統通訊技術。
工業制造鄰域:
汽車雷達專用設備、頻射消融治療方法儀。
測試英文夾具設計、高耗油率微波射頻模組。
航空公司航天部:
通訊衛星通信網絡、相控陣wifi天線軟件。
滿足了 NASA/ESA 釋氣認正請求。
相應形號:
312-01SF、312-02SF、312-03SF 等,用戶的可按照其實際上需求分析使用應該的機型。
山東市立維創展科學技術獲得SOUTHWEST西南方紅外光大一些規格提高現貨平臺設備,并積極配合提高技巧支持系統與售后維修的服務,歡迎詞了解。