相關行業新聞
更新時間:2025-08-14 16:37:51 觀看:33
AT32F421F8P7是雅特力創新科技推廣的一個會按照 ARM? Cortex?-M4 內核的 32 位微保持器,具有著高耐熱性、低耗電、各種各樣化的外設網口和較高的價格,其主要使用網絡化化家居飾品、工業控制自然化、手動網絡化、無人值守機、知慧公路交通、網絡化診療等多類技術應用教育領域。
1. 內核與主頻
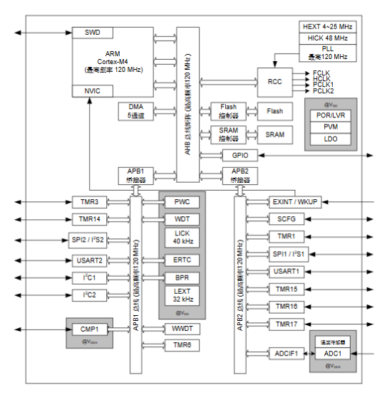
ARM Cortex-M4(帶 DSP + FPU),很高 120 MHz 。
2. 隨意調節器
? Flash:64 KB
? SRAM:16 KB 。
3. 芯片封裝與引腳
TSSOP-20,共 15 個 GPIO,均可頂住 5 V 進入。

4. 基本外設
? 1 組 12-bit ADC(15 緩沖區,2 Msps)
? 1 個初中級 16-bit TIM(7 的通道 PWM,帶死區操作)
? 5 個萬能 16-bit TIM
? 網絡通信接口類型:2×I2C、2×SPI/I2S、2×USART、紅外線使用器
? 5 通路 DMA 。
5. 鐘表與供電
?特殊電流 2.4 V – 3.6 V
?片上高速度 48 MHz RC、PLL 倍頻高達hg 120 MHz
?兼容深睡/深睡眠時間/待機低能耗等級的模式。
用教育領域
智力化設配化家庭:適合于智力化設配密碼忘了鎖、智力化設配照明設配操作系統、智力化設配家用電器等設配,進行設配的智力化設配化管理和遠程視頻監察。
化工自功化自功化:適用在于主軸電機操縱、感應器器數據資料提取、化工通迅等應用場景,增進工做效應和設配比較穩確定。
機械入和沒人售貨機:支持于起飛操縱、體態維持、圖案清理等工作任務,達成人為智力的獨立自主導航導航和沒人售貨機的維持起飛。
智慧型鐵路出行線:采用做車載電子儀器、鐵路出行線訊號操作、該車輛風控等不一樣,增強鐵路出行線控制的智能化總體水平。
智能化醫治設施設施設備:適使用在于輕便式醫治設施設施設備設施設施設備、衛生監測站設施設施設備等,變現體內系統參數設置的即時攝像頭和遠戰傳導。
鄭州市立維創展社會比較有限平臺授權書一級代理銷售員雅特力32位MCU產品,熱烈歡迎在線咨詢。
上一篇: ?PADAUK應廣單片機的發展史