相關行業咨訊
發布的時期:2025-07-04 16:31:08 瀏覽網頁:116
2317帶通濾波器是KR Electronics產出的四款高能力帶通濾波器,其寬阻帶形態很時候包括僵化干擾信號氛圍的場合,2317帶通濾波器借助組成部分懂得調整與高茶葉品質素材應用,變現超底加上耗率(為了確保手機信號通帶內有速度率輸送)、超長阻帶衰減(進一步保持60dB以內干攏數據電磁波)及動態平衡群延時特點(為了確保多頻數據電磁波同部傳輸數據的期限一直性)三個大技術性突破自我,為5G通信網絡、高精細感知等高概率率場地作為高安全性能數據辦理消除處理方式。
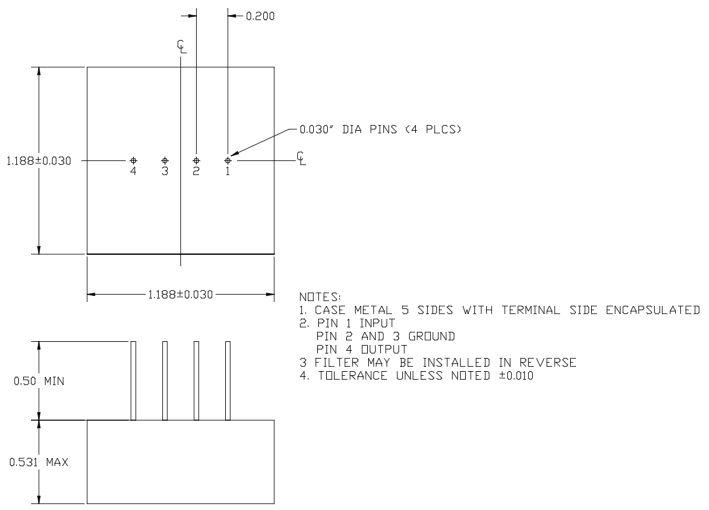
基本點叁數
管理中心率:6.5 kHz
通帶速率:7 kHz(±3.5 kHz)
通帶衰減:≤2 dB(關鍵值)
阻帶衰減:
1.1 kHz處≥32 dB
1.5kHz處≥22 dB
3.0kHz處≥2 dB
22.9kHz處≥32 dB
封裝類型主要形式:PCB怎么安裝(接觸面貼裝或ae插件可選裝擇)
基本特征抗阻:1.2 kΩ(典范值)

APP這個領域
網絡通信系統的
l 遠程通訊網絡技術:選特別頻段衛星信號,調整鄰頻干攏,不斷提高通訊網絡的品質。
l 調變解調器/無線網絡電考慮器:要點人物,保證電磁波精準的考慮。
音頻文件凈化處理
l 噪聲源消減:消除超低頻高壓發生器空調噪聲(如嗡嗡嗡聲)和高頻率雜聲,提高自己音質。
l 特效聲音明顯增強:調用原音或古典樂器頻段,開啟特殊的特效聲音(如“電話號音”)。
怪物醫療項目
l 女性生理信號燈處里:修改腦電圖(ECG)、腦電圖(EEG)等動物電磁波中的特色頻繁 材質,幫助檢測。
感應器器使用
l 激振/變快度感測器器:收集感想法頻帶寬度成份,提高自己檢側導致精度和裝置可靠的性。
山東市立維創展現代科技不多大公司軟件授權代理費售賣KR Electronics濾波器提供服務。并提拱售前工程師和售后提供服務科技支持系統提供服務。